Запчасти Case IH 7700 (B03[16]) - HYDRAULIC MOTOR {TRACTION} Hydraulic Components & Circuits

Схема запчастей Case IH 7700 - (B03[16]) - HYDRAULIC MOTOR {TRACTION} Hydraulic Components & Circuits
17
13
32
33
23
24
20
18
15
11
26
40
27
5
37
12
16
33
3
28
34
9
34
20
14
21
4
34
6
30
35
19
22
29
7
31
2
25
20
8
33
10
1
36
36
38
FIT
1:1
100%

Артикул

Название

Примечание

Количество

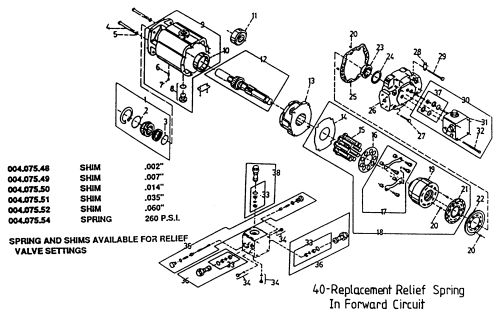
1

00407127

SEAL

KIT, Shaft

1шт.

2

00407128

O-RING

1шт.

3

00407129

O-RING

1шт.

4

00407164

SCREW

2шт.

5

00407165

WASHER

2шт.

6

00407131

DOWEL

PIN, Dowel

1шт.

7

00407132

PLUG

PLUG

1шт.

8

00407135

PLUG

0-Ring

1шт.

9

00407130

HOUSING

Assembly

1шт.

10

00407133

BEARING, CUP

1шт.

11

00407137

BEARING SET

1шт.

12

87437015

SHAFT

Shaft

1шт.

87463644

SHAFT

SPEED SENSOR MOTOR

1шт.

13

00407138

PLATE

PLATE Swash

1шт.

14

00407139

PLATE

1шт.

15

00407141

PISTON

9шт.

16

00407142

PLATE

1шт.

17

00407143

KIT

Holddown

1шт.

18

00407140

REPAIR KIT

Rotating Group

1шт.

19

00407144

KIT

Barrel

1шт.

20

00407134

DOWEL

Pin

5шт.

21

00407145

PLATE

1шт.

22

00407146

PLATE

1шт.

23

00407148

BEARING ASSY

Bearing

1шт.

24

00407149

SHIM KIT

1шт.

25

00407147

GASKET

1шт.

26

389982A1

END

COVER, End

1шт.

27

00407154

BOLT

2шт.

28

00407152

SECURING STRAP

STRAP

2шт.

29

00407153

BOLT

BOLT

6шт.

30

00407155

PUMP, HYDROSTATIC

HYDROSTATIC PUMP KIT, Valve Block

1шт.

31

00407156

HYDRAULIC VALVE

BLOCK, Valve

1шт.

32

00407158

BOLT

BOLT

4шт.

33

00407161

SEAL KIT

Relief Valve

3шт.

34

00407163

PLUG

O-Ring

3шт.

35

00407162

HYDRAULIC VALVE

KIT, Shuttle

1шт.

36

00407189

VALVE, PRESSURE RELI

EF

2шт.

37

00407157

SEAL KIT

Valve Block

2шт.

38

00407159

HYDRAULIC VALVE

Relief

1шт.

39

00407166

SEAL

KIT

1шт.

40

00408923

SPRING

1шт.

41

00410271

HYDROSTATIC MOTOR

Assembly

2шт.

7000

1шт.

42

87256911

MOTOR, HYDRAULIC

Assembly [LH]

1шт.

7700

1шт.

42

87256910

MOTOR, HYDRAULIC

Assembly [RH]

1шт.

7700

1шт.

Выбрано товаров: 47