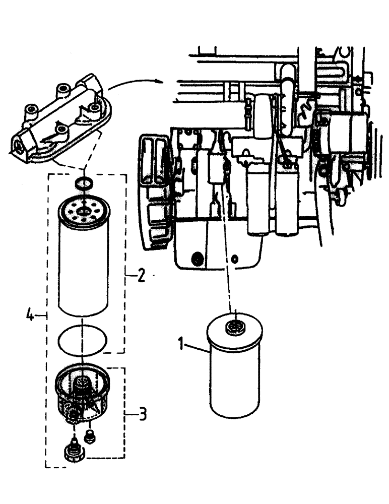
Запчасти Case IH 7700 (C01-09) - FILTERS, M11-250/M11-330 Engine & Engine Attachments

Схема запчастей Case IH 7700 - (C01-09) - FILTERS, M11-250/M11-330 Engine & Engine Attachments
2
1
4
3
FIT
1:1
100%

Артикул

Название

Примечание

Количество

1

00180655

FILTER

CORROSION INHIBITOR

1шт.

2

00180873

ELEMENT

2шт.

3

00139820

BOWL

2шт.

4

00181925

FUEL FILTER

ASSEMBLY

2шт.

Выбрано товаров: 0