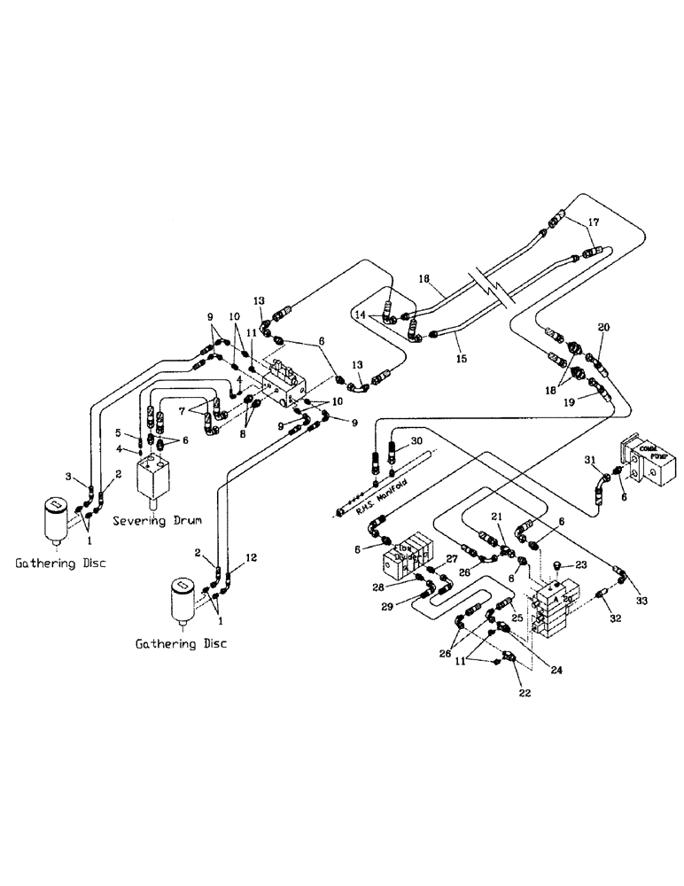
Запчасти Case IH 7700 (B06-17) - HYDRAULIC CIRCUIT, SHREDDER TOPPER Hydraulic Components & Circuits

Схема запчастей Case IH 7700 - (B06-17) - HYDRAULIC CIRCUIT, SHREDDER TOPPER Hydraulic Components & Circuits
23
3
4
1
9
7
6
9
11
12
8
9
13
32
11
6
6
15
26
28
24
5
4
19
33
20
10
27
17
10
31
22
14
18
29
26
2
25
6
6
16
1
21
6
2
30
13
FIT
1:1
100%

Артикул

Название

Примечание

Количество

1

00400228

HYD CONNECTOR

NIPPLE

4шт.

2

87225806

HYDRAULIC HOSE

2шт.

3

86310715

HOSE ASSY.

HOSE

1шт.

4

00400223

HYD CONNECTOR

NIPPLE

2шт.

5

86327600

HOSE ASSY.

HOSE

1шт.

6

00400234

HYD CONNECTOR

NIPPLE

8шт.

7

82733200

HOSE

2шт.

8

00400232

HYD CONNECTOR

NIPPLE

2шт.

9

00407516

HYD CONNECTOR

BEND

4шт.

10

00400226

HYD CONNECTOR

NIPPLE

4шт.

11

00405498

SCREW ON COUPLING

TEST POINT

3шт.

12

86302643

HOSE,12.7mm ID x 1250mm L, SAE 100R17

1шт.

13

00403944

HYD CONNECTOR

BEND

2шт.

14

82756100

HOSE

2шт.

14

86330800

HOSE

Extension

2шт.

15

87250407

TUBE,1" OD

1шт.

16

87250409

TUBE,1" OD

1шт.

17

82736400

HOSE

2шт.

18

00400067

HYD CONNECTOR

NIPPLE

2шт.

19

83129000

HOSE ASSY.

HOSE

1шт.

20

87227020

HOSE

HYDRAULIC HOSE

1шт.

21

87221699

TEE

1шт.

22

00408647

TEE

1шт.

23

00400258

HYD CONNECTOR

PLUG

2шт.

24

86314714

TEE

1шт.

25

87252185

HOSE

1шт.

26

00407045

HYD CONNECTOR

BEND

3шт.

27

00400231

HYD CONNECTOR

NIPPLE

1шт.

28

00400233

HYD CONNECTOR

NIPPLE

1шт.

29

82703300

HOSE

1шт.

30

87247506

HOSE ASSY.

HOSE

1шт.

31

87252510

HOSE ASSY.

HOSE

1шт.

32

00408732

HYD CONNECTOR

NIPPLE

1шт.

33

86311426

HOSE ASSY.

HOSE

1шт.

Выбрано товаров: 0