Запчасти Case IH 7700 (B02-82) - HYDRAULICS, MOTOR, TRACK DRIVE, 7700 Hydraulic Components & Circuits

Схема запчастей Case IH 7700 - (B02-82) - HYDRAULICS, MOTOR, TRACK DRIVE, 7700 Hydraulic Components & Circuits
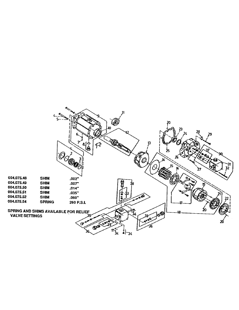
10
14
25
34
20
11
37
1
29
9
16
36
22
38
33
7
26
36
20
32
33
34
21
27
23
3
2
5
6
15
17
34
19
13
8
31
20
33
24
35
30
12
4
18
28
FIT
1:1
100%

Артикул

Название

Примечание

Количество

00407548

SHIM

.002"

1шт.

00407549

SHIM

.007"

1шт.

00407550

SHIM

.014"

1шт.

00407551

SHIM

.035"

1шт.

00407552

SHIM

.060"

1шт.

00407554

SPRING

260 P.S.I.

1шт.

1

00407127

SEAL

KIT-SEAL

1шт.

2

00407128

O-RING

1шт.

3

00407129

O-RING

1шт.

4

00407164

SCREW

2шт.

5

00407165

WASHER

2шт.

6

00407131

DOWEL

1шт.

7

00407132

PLUG

1шт.

8

00407135

PLUG

O-RING/PLUG

1шт.

9

00407130

HOUSING

1шт.

10

00407133

BEARING, CUP

BEARING-CUP

1шт.

11

00407137

BEARING SET

KIT-BEARING

1шт.

12

00407136

SHAFT

1шт.

13

00407138

PLATE

-SWASH

1шт.

14

00407139

PLATE

1шт.

15

00407141

PISTON

9шт.

16

00407142

PLATE

SLIPPER/PLT

1шт.

17

00407143

KIT

-HOLD/DWN

1шт.

18

00407140

REPAIR KIT

ROT/GRP-KIT

1шт.

19

00407144

KIT

BARREL-KIT

1шт.

20

00407134

DOWEL

5шт.

21

00407145

PLATE

1шт.

22

00407146

PLATE

-MOTOR

1шт.

23

00407148

BEARING ASSY

BEARING-KIT

1шт.

24

00407149

SHIM KIT

SHIM-PACK

1шт.

25

00407147

GASKET

1шт.

26

00407150

HYDRAULIC MOTOR

COVER-END

1шт.

27

00407154

BOLT

2шт.

28

00407152

SECURING STRAP

STRAP

2шт.

29

00407153

BOLT

6шт.

30

00407155

PUMP, HYDROSTATIC

KIT-BLOCK

1шт.

31

00407156

HYDRAULIC VALVE

VALVE-BLOCK

1шт.

32

00407158

BOLT

4шт.

33

00407161

SEAL KIT

SEAL-KIT

3шт.

34

00407163

PLUG

O-RING/PLUG

3шт.

35

00407162

HYDRAULIC VALVE

SHUTTLE-KIT

1шт.

36

00407189

VALVE, PRESSURE RELI

HPRV S/A

2шт.

37

00407157

SEAL KIT

2шт.

38

00407159

HYDRAULIC VALVE

LPRV S/A

1шт.

39

00407166

SEAL

OH/KIT

1шт.

40

00407080

MOTOR, HYDRAULIC

MOTOR/ASSY

2шт.

Выбрано товаров: 46