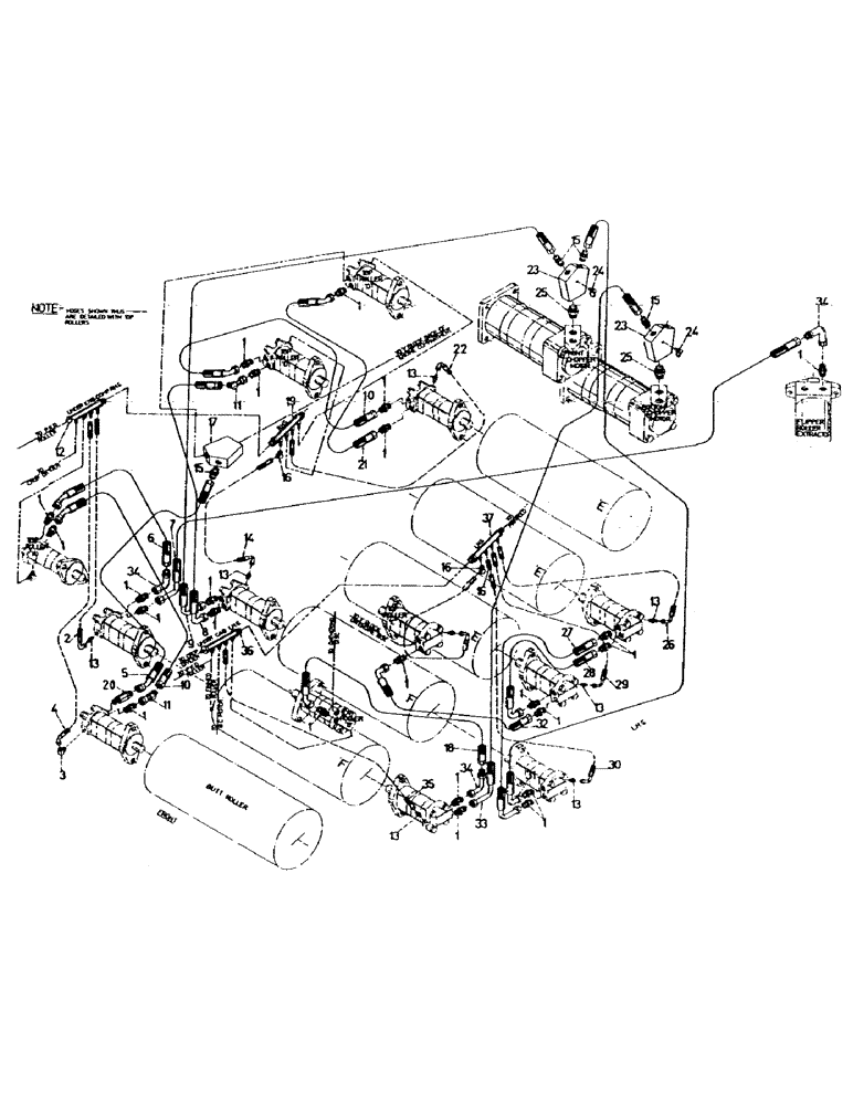
Запчасти Case IH 7700 (B05-35) - HYDRAULICS, CIRCUIT, ROTARY CHOP BOTTOM ROLLERS Hydraulic Components & Circuits

Схема запчастей Case IH 7700 - (B05-35) - HYDRAULICS, CIRCUIT, ROTARY CHOP BOTTOM ROLLERS Hydraulic Components & Circuits
13
1
1
1
13
30
1
15
18
16
1
8
11
21
1
4
1
25
1
9
29
22
33
13
11
35
32
1
17
24
23
26
13
3
16
34
1
15
27
34
6
24
1
10
1
12
37
14
1
28
7
19
25
1
1
20
23
13
13
2
10
34
5
16
15
13
1
1
36
FIT
1:1
100%

Артикул

Название

Примечание

Количество

1

00400227

HYD CONNECTOR

NIPPLE

23шт.

2

86327400

HOSE ASSY.

HOSE

1шт.

3

00405242

HYD CONNECTOR

ELBOW

1шт.

4

86302756

HOSE ASSY.

HOSE

1шт.

5

87221473

HOSE

HYDRAULIC HOSE

1шт.

6

86310151

HOSE

HYDRAULIC HOSE

1шт.

7

87214360

HOSE

1шт.

8

87214355

HOSE

1шт.

9

87214358

HOSE

1шт.

10

87172700

HOSE ASSY.

HOSE

2шт.

11

00404511

HYD CONNECTOR

ADAPTOR

2шт.

12

87165700

VENT MANIFOLD

MANIFOLD

1шт.

13

00402235

HYD CONNECTOR

NIPPLE

7шт.

14

86312263

HOSE ASSY.

HOSE

1шт.

15

00400230

HYD CONNECTOR

NIPPLE

4шт.

16

00402879

HYD CONNECTOR

ELBOW

3шт.

17

87227748

JUNCTION BLOCK

Y BLOCK

1шт.

18

87210800

HOSE

1шт.

19

87165900

VENT MANIFOLD

MANIFOLD

1шт.

20

00408012

HYD CONNECTOR

NIPPLE

1шт.

21

87214353

HOSE

1шт.

22

82702100

HOSE ASSY.

HOSE

1шт.

23

87227749

JUNCTION BLOCK

Y BLOCK

2шт.

24

00405498

SCREW ON COUPLING

TEST POINT

2шт.

25

00405532

HYD CONNECTOR

NIPPLE

1шт.

26

82712000

HOSE

1шт.

27

87214349

HOSE,12.7mm ID x 1280mm L, SAE 100R17

1шт.

28

86306405

HOSE

1шт.

29

82704100

HOSE

1шт.

30

82743200

HOSE ASSY.

HOSE

1шт.

31

87214346

HOSE

1шт.

32

86310712

HOSE ASSY.

HOSE

1шт.

33

87214345

HOSE

1шт.

34

00407516

HYD CONNECTOR

ADAPTOR

3шт.

35

82759300

HOSE

1шт.

36

87165800

MANIFOLD

1шт.

37

87216599

VENT MANIFOLD

MANIFOLD

1шт.

Выбрано товаров: 37