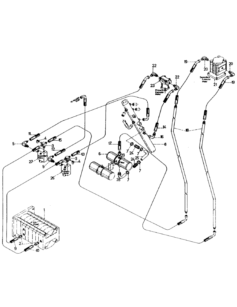
Запчасти Case IH 7700 (B05-52) - HYDRAULICS, CIRCUIT, EXTRACTORS Hydraulic Components & Circuits

Схема запчастей Case IH 7700 - (B05-52) - HYDRAULICS, CIRCUIT, EXTRACTORS Hydraulic Components & Circuits
3
13
14
20
20
8
7
24
10
19
27
4
26
24
19
7
28
16
3
5
2
22
5
7
6
22
17
12
18
4
23
1
7
9
25
11
15
21
FIT
1:1
100%

Артикул

Название

Примечание

Количество

1

PUMP (Refer Page B03-10)

1шт.

2

00400234

HYD CONNECTOR

NIPPLE

2шт.

3

87220629

TEE

2шт.

4

00405498

SCREW ON COUPLING

TEST POINT

2шт.

5

00400245

HYD CONNECTOR

ELBOW

2шт.

6

FILTER (Refer Page B06-01)

1шт.

7

00152128

HOSE CLAMP

CLAMP

4шт.

8

87219476

MANIFOLD

1шт.

9

87221417

HOSE

1шт.

10

87221456

HOSE

1шт.

11

82729000

HOSE,25.4mm ID x 850mm L, SAE 100R16

1шт.

12

86301836

ASSEMBLY

HOSE

1шт.

13

87221386

HOSE

HYDRAULIC HOSE

1шт.

14

87221388

HOSE

HYDRAULIC HOSE

1шт.

15

87221476

HOSE

HYDRAULIC HOSE

1шт.

16

00403944

HYD CONNECTOR

ADAPTOR

1шт.

17

87221475

HOSE

HYDRAULIC HOSE

1шт.

18

86909502

HYD TUBE,1" OD

TUBE (Standard Elevator)

2шт.

18

87121300

HYD TUBE

TUBE (Extended Elevator)

2шт.

19

87121700

HOSE

2шт.

20

00400246

HYD CONNECTOR

ELBOW

2шт.

21

MOTOR (Refer Page B02-50)

1шт.

22

00400097

HYD CONNECTOR

ELBOW

2шт.

23

MOTOR (Refer Page B02-60)

1шт.

24

83123200

HOSE

2шт.

25

87221414

TUBE,1.50" OD

1шт.

26

VALVE (Refer Page B04-38)

1шт.

27

VALVE (Refer Page B04-38)

1шт.

28

86997700

TUBE,1.50 mm DIA

1шт.

29

00407121

HYD CONNECTOR

NIPPLE

1шт.

Выбрано товаров: 30