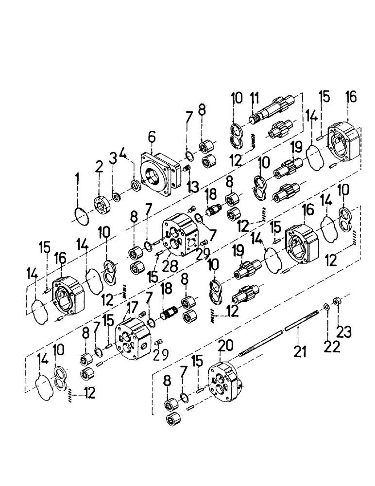
Запчасти Case IH 7700 (G02-13) - LEG BASE CUTTER, HYDRAULIC MOTORS, BASECUTTER DRIVE Leg Base Cutter

Схема запчастей Case IH 7700 - (G02-13) - LEG BASE CUTTER, HYDRAULIC MOTORS, BASECUTTER DRIVE Leg Base Cutter
8
7
14
15
12
15
10
8
10
8
14
29
12
19
10
7
7
10
18
16
16
29
7
15
14
21
15
6
14
15
7
28
10
13
10
8
17
8
14
18
1
20
7
22
19
4
12
14
23
8
3
15
12
12
11
12
2
16
FIT
1:1
100%

Артикул

Название

Примечание

Количество

1

00400581

RING

SNAP RING

1шт.

2

00144114

BALL BEARING

BEARING

1шт.

3

00400622

SEAL

RETAINER

1шт.

4

00400621

SEAL

1шт.

6

00405463

FLANGE

END COVER

1шт.

7

00400576

SEAL

RING

6шт.

8

00400577

ROLLER

BEARING

12шт.

10

00400589

PLATE

THRUST PLATE

6шт.

11

00400591

GEAR

SET

1шт.

12

00400517

SEAL

STRIP

3шт.

13

00400608

CHECK VALVE

CHECK ASSEMBLY

2шт.

14

00400590

GASKET

6шт.

15

00404710

DOWEL

PIN

12шт.

16

00405466

HOUSING

3шт.

17

00405876

CARRIER

2шт.

18

00400598

SHAFT

AND BEARING

2шт.

19

00400604

GEAR

SET

2шт.

20

00407775

COVER

END COVER

1шт.

21

00400600

STUD

4шт.

22

00400531

WASHER

4шт.

23

00400532

NUT

4шт.

24

00407595

ASSEMBLY

PLUG ASSEMBLY

1шт.

25

00407763

SEAL KIT

1шт.

27

00407236

MOTOR ASSEMBLY

1шт.

28

00407713

CARRIER

1шт.

29

00405879

CHECK VALVE

CARTRIDGE

4шт.

Выбрано товаров: 26