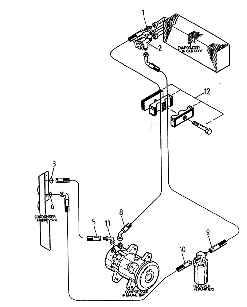
Запчасти Case IH 7700 (B07-25B) - HYDRAULIC CIRCUIT (AIR CONDITIONER), SERIAL #7908 AND Hydraulic Components & Circuits

Схема запчастей Case IH 7700 - (B07-25B) - HYDRAULIC CIRCUIT (AIR CONDITIONER), SERIAL #7908 AND Hydraulic Components & Circuits
12
10
11
3
8
5
6
9
2
1
FIT
1:1
100%

Артикул

Название

Примечание

Количество

1

00404567

ADAPTER

NIPPLE

1шт.

2

00137293

AIR CONDITIONER

VALVE

1шт.

3

00100207

O-RING

1шт.

5

87239123

HOSE

(108)

1шт.

5

87239125

HOSE (125)

1шт.

5

87237205

HOSE

(6CT/L10)

1шт.

6

00405006

O-RING

O-RING

1шт.

8

87239129

HOSE

(108/6CT/L10)

1шт.

8

87239127

HOSE (125)

1шт.

9

87238659

HOSE

1шт.

10

87239121

HOSE

(108)

1шт.

10

87237207

HOSE

(125/6CT/L10)

1шт.

11

00404332

ELBOW

1шт.

12

00407737

ASSEMBLY

CLAMP

2шт.

Выбрано товаров: 14