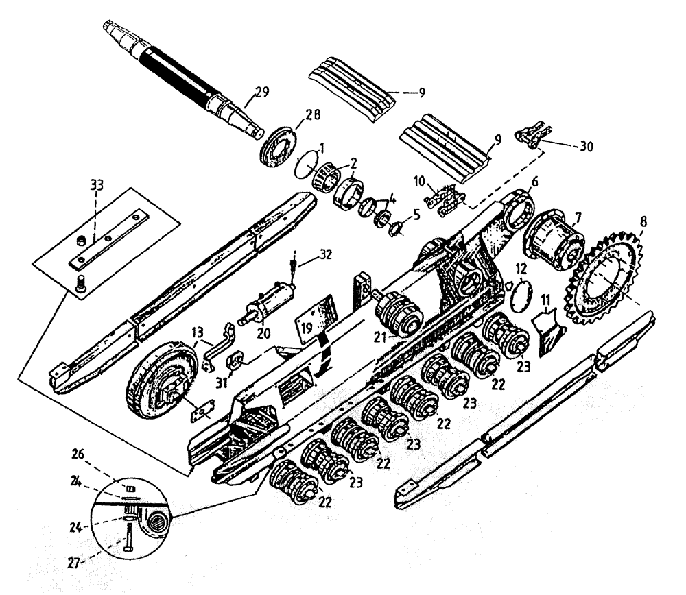
Запчасти Case IH 7700 (A04-75) - FULL TRACK (7700) -- 20" GROUSERS (FLORIDA OPTION) Mainframe & Functioning Components

Схема запчастей Case IH 7700 - (A04-75) - FULL TRACK (7700) -- 20" GROUSERS (FLORIDA OPTION) Mainframe & Functioning Components
10
5
2
24
1
12
2
9
19
22
23
23
22
9
20
30
6
22
28
32
33
2
13
22
27
4
11
7
29
31
8
26
23
23
FIT
1:1
100%

Артикул

Название

Примечание

Количество

1

00100074

O-RING

2шт.

2

00146531

BEARING

2шт.

4

00146556

BEARING

2шт.

5

00601497

BOLT

4шт.

5

86681200

LOCK NUT

2шт.

6

87234535

FRAME (LH)

1шт.

6

87234536

FRAME (RH)

1шт.

7

EPICYCLIC HUB (Refer Figure A04-15)

1шт.

8

87110500

SPROCKET ASSY.

(welded assembly)

2шт.

8

87223451

SPROCKET ASSY.

(machined)

2шт.

8

87223169

MOUNTING PLATE

centre (machined)

2шт.

8

00136030

BOLT

20шт.

8

00136031

NUT

20шт.

9

00135967

ASSEMBLY

GROUSER (20") (straight)

94шт.

9

00139540

TRACK PLATE

GROUSER (20") (straight master)

2шт.

9

87222832

TRACK PLATE

GROUSER (20") (bent)

94шт.

9

87226416

TRACK PLATE

GROUSER (20") (bent master)

2шт.

9

00131438

BOLT

384шт.

9

00131437

NUT

384шт.

10

00139539

TRACK CHAIN

(48 link)

2шт.

11

87217925

GUARD

COVER (LH)

1шт.

11

87217926

GUARD

COVER (RH)

1шт.

12

86306820

COVER ASSY

2шт.

12

00601499

BOLT

12шт.

12

00605827

WASHER

12шт.

13

FRONT TRACK IDLER (Refer Figure A04-60)

1шт.

13

00131447

SUPPORTING ARM

4шт.

13

00135808

BOLT

4шт.

13

00135809

BOLT

2шт.

13

00135807

WASHER

WASHER

2шт.

13

00136195

WASHER

8шт.

13

00131462

NUT

2шт.

13

00135806

LOCK WASHER

LOCKNUT

2шт.

19

87105800

COVER ASSY

COVER

2шт.

20

HYDRAULIC CYLINDER (Refer Figure B01-40)

1шт.

21

TRACK IDLER ROLLER (Refer Figure A04-55)

1шт.

22

TRACK ROLLER (Double) (Refer Figure A04-50)

1шт.

23

TRACK ROLLER (Single) (Refer Figure A04-50)

1шт.

24

00608177

WASHER

128шт.

26

00605804

NUT

64шт.

27

00601621

BOLT

64шт.

28

87102000

PLATE

seal

2шт.

29

87234537

CHASSIS

CROSS BEAM

1шт.

30

00139732

TRACK LINK

half (LH - pin end)

2шт.

30

00139731

TRACK LINK

half (RH - pin end)

2шт.

30

00139734

TRACK LINK

half (LH - bush end)

2шт.

30

00139733

TRACK LINK

half (RH - bush end)

2шт.

30

00131440

BUSHING

2шт.

30

00131439

PIN

2шт.

30

00139562

BOLT

8шт.

30

00131403

SEAL

WASHER

8шт.

31

87110700

RETAINER

2шт.

32

87222084

LOCKING DEVICE,Locating, M12.8 x 26

BOLT

2шт.

33

87226275

WEAR STRIP

2шт.

33

FD108050

SCREW,Flat Hd, Csk, M8 x 1.25 x 50mm

6шт.

33

NC108000

NUT

6шт.

Выбрано товаров: 56