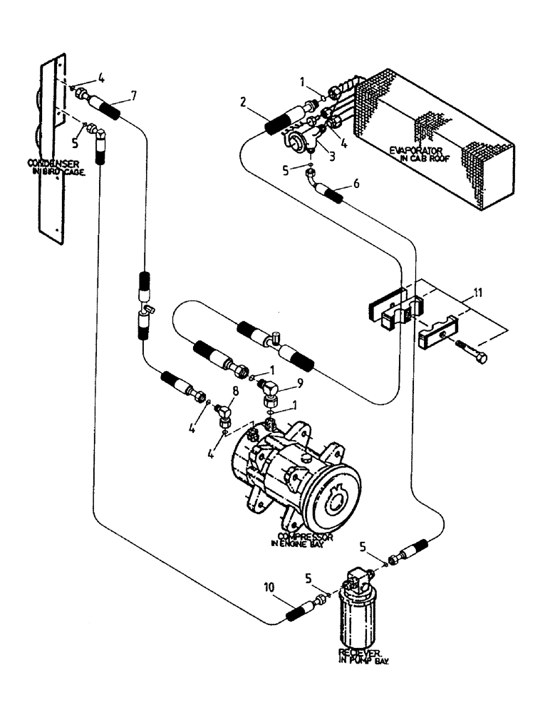
Запчасти Case IH 7700 (B07-25) - HYDRAULIC CIRCUIT, AIR CONDITIONER Hydraulic Components & Circuits

Схема запчастей Case IH 7700 - (B07-25) - HYDRAULIC CIRCUIT, AIR CONDITIONER Hydraulic Components & Circuits
4
7
1
5
4
2
6
4
1
8
1
5
3
11
5
5
10
4
9
FIT
1:1
100%

Артикул

Название

Примечание

Количество

1

00181115

O-RING

3шт.

2

87244042

HOSE

1шт.

3

00181699

AIR CONDITIONER

VALVE

1шт.

4

00181114

O-RING

4шт.

5

00181089

O-RING

4шт.

6

87244039

HOSE

1шт.

7

87243308

HOSE

1шт.

8

00409297

ELBOW

1шт.

9

00409298

ELBOW

1шт.

10

87242711

HOSE

1шт.

11

00407737

ASSEMBLY

CLAMP

2шт.

Выбрано товаров: 11