Запчасти Case IH 7700 (B04-85) - HYDRAULIC SOLENOID RELIEF VALVE, ELEVATOR MANIFOLD Hydraulic Components & Circuits

Схема запчастей Case IH 7700 - (B04-85) - HYDRAULIC SOLENOID RELIEF VALVE, ELEVATOR MANIFOLD Hydraulic Components & Circuits
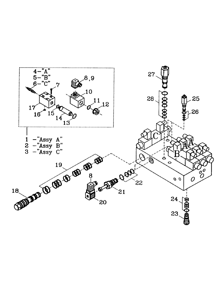
20
12
2
21
5
7
13
3
11
17
8
27
19
26
22
25
28
23
24
15
9
6
8
4
18
1
16
14
10
FIT
1:1
100%

Артикул

Название

Примечание

Количество

1

00409670

PILOT VALVE

CETOP ASSEMBLY - A

2шт.

2

00409672

PILOT VALVE

CETOP ASSEMBLY - B

1шт.

3

00409671

PILOT VALVE

CETOP ASSEMBLY - C

1шт.

4

00409662

SPOOL

- A

2шт.

5

00409664

SPOOL

- B

1шт.

6

00409663

SPOOL

- C

1шт.

7

FC105025

SCREW,M5 x 25mm

4шт.

8

00409668

ELEC CONNECTOR

CONNECTOR (Grey)

1шт.

9

00409524

ELEC CONNECTOR

CONNECTOR (Black)

1шт.

10

00409666

COIL

SOLENOID

2шт.

11

00100193

O-RING

2шт.

12

00409694

NUT

2шт.

13

00103023

O-RING

2шт.

14

00409667

TUBE

2шт.

15

00103022

O-RING

2шт.

16

00100007

O-RING

4шт.

17

00409665

VALVE BODY

HOUSING

1шт.

18

00409652

VALVE PRESSURE RELIE

CARTRIDGE

1шт.

19

00409653

SEAL KIT

1шт.

20

00409521

COIL

SOLENOID

2шт.

21

00409654

VALVE PRESSURE RELIE

CARTRIDGE

2шт.

22

00409655

SEAL KIT

2шт.

23

00409658

CHECK VALVE

CARTRIDGE

1шт.

24

00409659

SEAL KIT

1шт.

25

00409660

VALVE PRESSURE RELIE

CARTRIDGE

2шт.

26

00409661

SEAL KIT

2шт.

27

00409656

HYDRAULIC VALVE

CARTRIDGE

1шт.

28

00409657

SEAL KIT

1шт.

29

00409535

HYDRAULIC VALVE

ASSEMBLY

1шт.

Выбрано товаров: 29