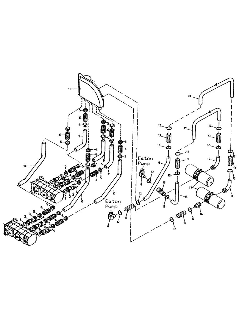
Запчасти Case IH 7700 (B05-20) - HYDRAULIC SUCTION LINES, FLORIDA OPTION Hydraulic Components & Circuits

Схема запчастей Case IH 7700 - (B05-20) - HYDRAULIC SUCTION LINES, FLORIDA OPTION Hydraulic Components & Circuits
20
5
5
12
9
17
2
5
2
14
12
10
5
12
6
12
6
13
5
4
4
13
5
5
12
3
6
6
5
12
4
5
1
8
3
2
12
10
13
12
15
13
14
1
1
12
4
4
5
6
1
5
13
16
12
5
5
12
5
19
5
13
3
6
5
12
6
13
5
5
6
11
3
10
12
8
6
12
9
18
2
FIT
1:1
100%

Артикул

Название

Примечание

Количество

1

00100106

O-RING

6шт.

2

87219650

HYD CONNECTOR

ADAPTOR

6шт.

3

00400267

SPECIAL CLAMP

CLAMP

6шт.

4

00604534

SCREW

24шт.

5

00181813

HOSE CLAMP

CLAMP

24шт.

6

87217697

HOSE,50.80 mm ID x 115 mm

12шт.

8

00409553

HYD CONNECTOR

ELBOW

2шт.

9

87249826

TUBE

3шт.

10

87249825

TUBE,2" OD

3шт.

11

87248018

INLET MANIFOLD

MANIFOLD

1шт.

12

00152128

HOSE CLAMP

CLAMP

14шт.

13

86312272

HOSE,38.10 mm ID x 110.00 mm

38.10 mm ID x 110.00 mm

7шт.

14

87247662

TUBE,1.50" OD

2шт.

15

87248005

TUBE,1.50" OD

1шт.

16

00402123

HYD CONNECTOR

HOSETAIL

1шт.

17

SUCTION FILTER (Refer Page B08-00-A)

1шт.

18

8724804

TUBE

1шт.

19

8724803

TUBE

1шт.

20

8724802

TUBE

1шт.

Выбрано товаров: 19