Запчасти Case IH 7700 (G01[01]) - CHASSIS, LEG BASECUTTER Leg Base Cutter

Схема запчастей Case IH 7700 - (G01[01]) - CHASSIS, LEG BASECUTTER Leg Base Cutter
4
3
6
9
2
13
10
7
15
12
11
8
5
14
1
FIT
1:1
100%

Артикул

Название

Примечание

Количество

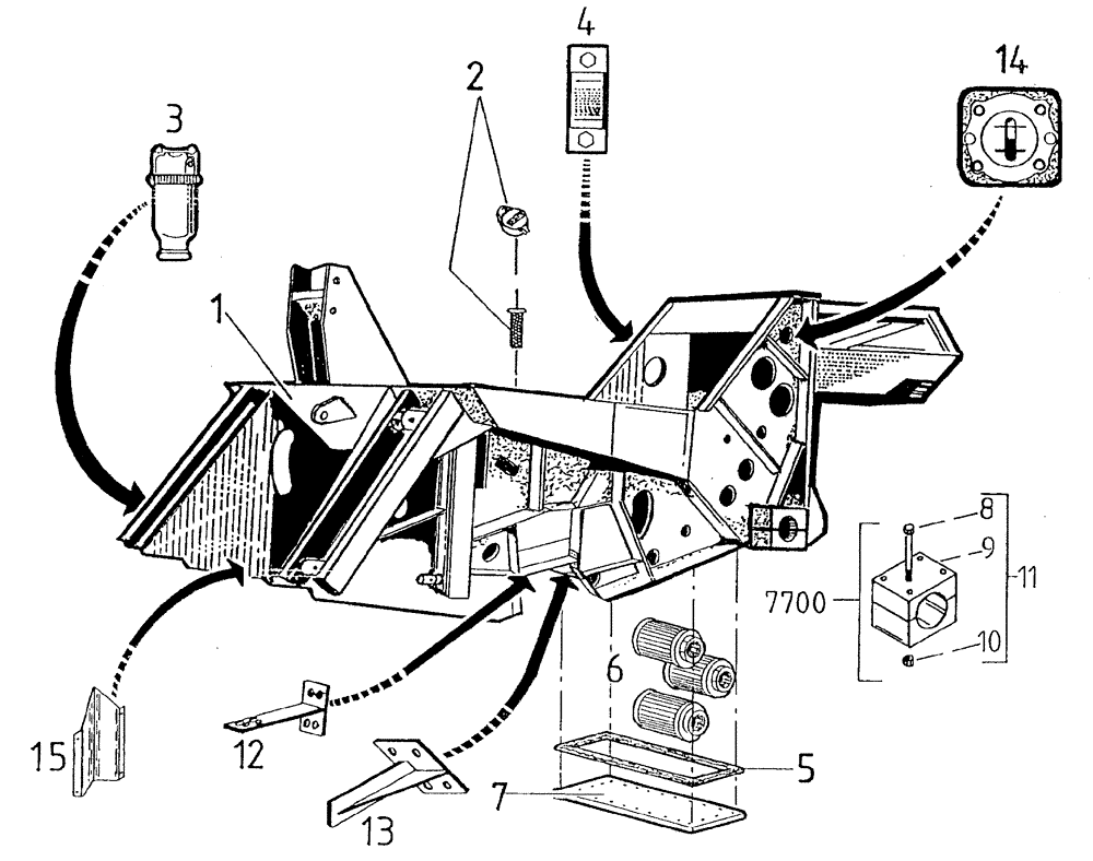
1

87224177

MAINFRAME rotary chop, model 7700

1шт.

1

87224178

MAINFRAME rotary chop, model 7000

1шт.

2

00404346

FILLER CAP

2шт.

2

FA105020

BOLT,Hex, M5 x 0.8, Gr 8.8

6шт.

3

00137032

FUEL FILTER

TRAP water

1шт.

4

00101646

LEVEL GAUGE CONTROL

oil

1шт.

5

86731800

GASKET,6mm Thk

oil tank

1шт.

6

00400057

HYDRAULIC OIL FILTER

3шт.

7

86729700

COVER ASSY

plate

1шт.

8

00608141

BOLT

BOLT

8шт.

Part of Block Assy. P/N 87219217

1шт.

9

87219216

BLOCK ASSY.

CLAMP pair

2шт.

Part of Block Assy. P/N 87219217

1шт.

10

00606004

LOCK NUT

8шт.

Part of Block Assy. P/N 87219217

1шт.

11

87219217

CLAMP

BLOCK ASSY., Includes: Ref. 8, 9, 10

1шт.

12

87224105

MOUNTING PARTS

STRUT

1шт.

12

FM116045

BOLT

8шт.

12

NA116000

NUT

8шт.

12

WB160000

SPRING WASHER

8шт.

13

87224245

SCRAPER

SCRAPER L.H.

1шт.

13

87224246

SCRAPER

R.H.

1шт.

13

FN112025

SCREW set

8шт.

13

WB120000

WASHER

8шт.

14

00136076

LEVEL GAUGE CONTROL

Murphy

1шт.

87235818

REPAIR KIT

FLOAT GAUGE

1шт.

00180786

FLOAT

FLOAT

1шт.

00180787

GASKET

GASKET

1шт.

00180788

CONTACT

CONTACT ASSY

1шт.

15

87224039

GUIDE

L.H.

1шт.

15

87224040

GUIDE

R.H.

1шт.

15

FA110020

BOLT

8шт.

15

NA110000

NUT

8шт.

15

WB100000

WASHER

8шт.

Выбрано товаров: 34