Запчасти Case IH 7700 (G02[12]) - HYD.MOTOR{CROPDIV./BUTTLIFT ROLLER/POWER KNOCKDOWN ROL./1ST BOTTOM ROL./ FINNED ROL.} LEG BASECUTTER Leg Base Cutter

Схема запчастей Case IH 7700 - (G02[12]) - HYD.MOTOR{CROPDIV./BUTTLIFT ROLLER/POWER KNOCKDOWN ROL./1ST BOTTOM ROL./ FINNED ROL.} LEG BASECUTTER Leg Base Cutter
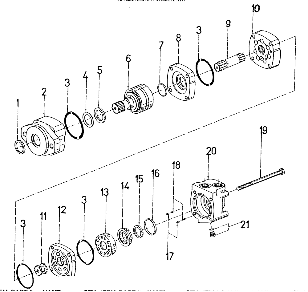
12
20
19
2
10
15
11
4
3
13
3
8
17
18
6
9
7
1
5
21
14
3
3
16
FIT
1:1
100%

Артикул

Название

Примечание

Количество

1

00404881

SEAL

1шт.

2

00407253

HOUSING, BEARING

1шт.

3

00404403

SEAL

O-RING

1шт.

4

00407252

RING

RING backing

3шт.

5

00406205

ASSEMBLY

SEAL

1шт.

6

00407250

SHAFT

and BEARING

1шт.

7

00404406

SEAL

1шт.

8

00406207

PLATE

1шт.

9

00404421

DRIVE

1шт.

10

00407846

GEROTOR

1шт.

11

00404410

HYDRAULIC VALVE

DRIVE

1шт.

12

00406210

PLATE

1шт.

13

00406211

HYDRAULIC VALVE

1шт.

14

00404414

RING

1шт.

15

00404415

SEAL

inner

1шт.

16

00406212

SEAL

outer

1шт.

17

00404417

PIN

2шт.

18

00404418

SPRING

2шт.

19

00407847

BOLT

4шт.

20

00406214

HOUSING

1шт.

21

00404175

PLUG

ASSY.

1шт.

22

00405835

SEAL KIT

1шт.

23

00404335

MOTOR, HYDRAULIC

ASSY.

1шт.

00404335R

REMAN-HYD MOTOR

7700 AUSTOFT SUGAR CANE HARVESTER (1/89-12/92)

1шт.

00404335C

CORE-MOTOR HYDRAULIC

Return Number

1шт.

Выбрано товаров: 25