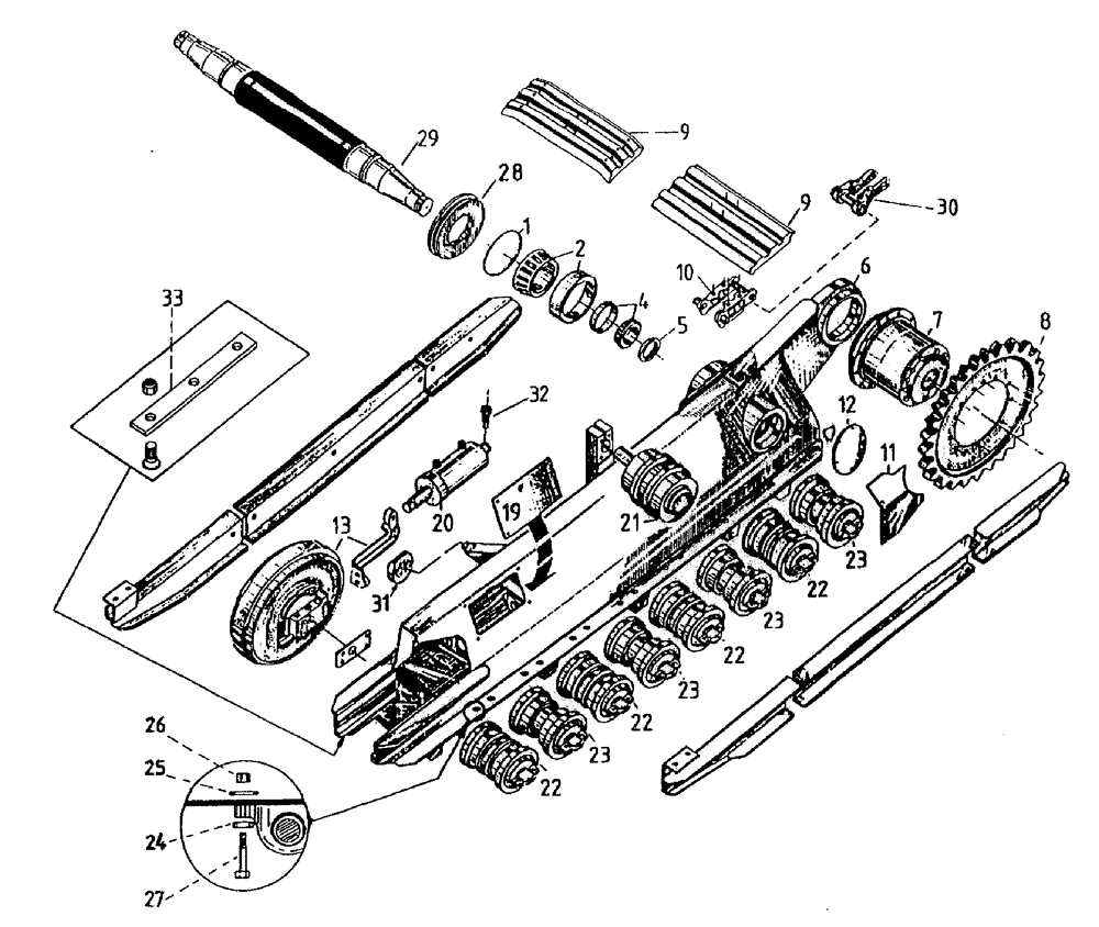
Запчасти Case IH 7700 (A03[11]) - TRACK ASSEMBLY, SERIAL # 7648 AND ONWARDS Mainframe & Functioning Components

Схема запчастей Case IH 7700 - (A03[11]) - TRACK ASSEMBLY, SERIAL # 7648 AND ONWARDS Mainframe & Functioning Components
4
9
1
21
25
23
23
7
33
22
2
13
8
31
29
19
22
10
22
11
22
23
26
27
20
9
30
12
5
28
6
32
23
24
FIT
1:1
100%

Артикул

Название

Примечание

Количество

1

00100074

O-RING

2шт.

2

00146531

BEARING

2шт.

4

00146556

BEARING

2шт.

5

00601497

BOLT

4шт.

5

86681200

LOCK NUT

2шт.

6

87102100

FRAME ASSY

FRAME L.H.

1шт.

6

87110900

ASSEMBLY

FRAME R.H.

1шт.

7

HUB, see Figure A03 [06]

1шт.

7

00601603

BOLT

32шт.

7

00131382

WASHER

32шт.

8

87110500

SPROCKET ASSY.

2шт.

8

87223451

SPROCKET ASSY.

machined

2шт.

8

87223169

MOUNTING PLATE

centre, machined

2шт.

8

00136030

BOLT

20шт.

8

00136031

NUT

20шт.

9

00135967

ASSEMBLY

GROUSER, 20"

1шт.

Up to 7474 - 96/ 7489 and on - 94

1шт.

9

00139540

TRACK PLATE

GROUSER master, 20"

2шт.

7489 and on

1шт.

9

87224699

GROUSER, 18"

94шт.

9

87224700

TRACK PLATE

GROUSER master, 18"

2шт.

9

87222832

TRACK PLATE

GROUSER bent, 20"

94шт.

9

87226416

TRACK PLATE

GROUSER bent master, 20"

2шт.

9

00131438

BOLT

384шт.

9

00131437

NUT

384шт.

10

00135786

CHAIN

48 link

2шт.

Up to and including 7474

1шт.

10

00139539

TRACK CHAIN

48 link

2шт.

7489 and on

1шт.

11

87105700

GUARD

COVER L.H.

1шт.

11

87110200

GUARD

COVER R.H.

1шт.

12

86306820

COVER ASSY

2шт.

12

00601499

BOLT

12шт.

12

00605827

WASHER

12шт.

13

IDLER, see Figure A03 [16]

1шт.

13

00131447

SUPPORTING ARM

4шт.

13

00135808

BOLT

4шт.

13

00135809

BOLT

2шт.

13

00135807

WASHER

2шт.

13

00136195

WASHER

8шт.

13

00131462

NUT

2шт.

13

00135806

LOCK WASHER

NUT lock

2шт.

13

00135988

PLATE

4шт.

13

SPRING, see Figure A03 [16]

1шт.

13

PLATE, see Figure A03 [16]

1шт.

19

87105800

COVER ASSY

COVER

2шт.

20

CYLINDER, see Figure B01 [32]

1шт.

21

ROLLER, see Figure A03 [18]

1шт.

22

ROLLER double, see Figure A03 [17]

1шт.

23

ROLLER single, see Figure A03 [17]

1шт.

24

81838300

WASHER

64шт.

25

86315172

WASHER

64шт.

26

00605804

NUT

64шт.

27

00601621

BOLT

64шт.

28

87102000

PLATE

seal

2шт.

29

87101900

ASSEMBLY

BEAM cross

1шт.

30

00139731

TRACK LINK

half, R.H., pin end

2шт.

30

00139732

TRACK LINK

half, L.H., pin end

2шт.

30

00139733

TRACK LINK

half, R.H., bushing end

2шт.

30

00139734

TRACK LINK

half, L.H., bushing end

2шт.

30

00131440

BUSHING

2шт.

30

00131439

PIN

2шт.

30

00139562

BOLT

8шт.

30

00131403

SEAL

WASHER

8шт.

31

87110700

RETAINER

2шт.

32

87222084

LOCKING DEVICE,Locating, M12.8 x 26

BOLT locating

2шт.

33

87226275

WEAR STRIP

2шт.

33

FD108050

SCREW,Flat Hd, Csk, M8 x 1.25 x 50mm

6шт.

33

NC108000

NUT

6шт.

Выбрано товаров: 69