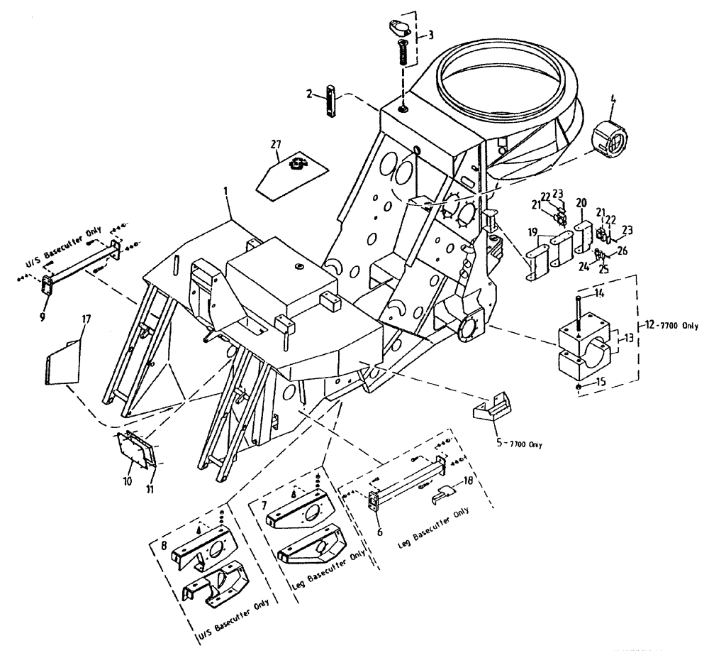
Запчасти Case IH 7700 (A01[00A]) - CHASSIS Mainframe & Functioning Components

Схема запчастей Case IH 7700 - (A01[00A]) - CHASSIS Mainframe & Functioning Components
25
21
22
27
26
23
21
22
23
12
7
13
9
8
15
11
18
17
10
20
2
5
4
3
14
6
19
1
24
FIT
1:1
100%

Артикул

Название

Примечание

Количество

1

87241084

MAINFRAME, model 7000, U/S

1шт.

1

87241083

MAINFRAME, model 7000, leg

1шт.

1

87241086

MAINFRAME, model 7700, U/S

1шт.

1

87241085

MAINFRAME, model 7700, leg

1шт.

2

00101646

LEVEL GAUGE CONTROL

1шт.

3

00404346

FILLER CAP

1шт.

3

FA105020

BOLT,Hex, M5 x 0.8, Gr 8.8

3шт.

87235818

REPAIR KIT

FLOAT SWITCH

1шт.

00180786

FLOAT

FLOAT ASSSY

1шт.

00180787

GASKET

GASKET

1шт.

00180788

CONTACT

CONTACT ASSY

1шт.

4

00136076

LEVEL GAUGE CONTROL

1шт.

5

87230412

STEP

2шт.

5

FA110025

BOLT

4шт.

6

87232130

STRUT

STIFFENER, L.H.

2шт.

7

87232144

CHASSIS

WALL, L.H.

1шт.

7

87232145

MOUNTING PARTS

WALL, R.H.

1шт.

8

87232146

CHASSIS

WALL, L.H.

1шт.

8

87232147

CHASSIS

WALL, R.H.

1шт.

9

87235679

STIFFENER, R.H.

1шт.

10

86920900

COVER ASSY

1шт.

10

00605795

NUT

10шт.

11

86920800

GASKET,6mm Thk

1шт.

12

87219217

CLAMP

BLOCK ASSEMBLY

2шт.

13

87219216

BLOCK ASSY.

clamp

2шт.

14

00608179

BOLT

8шт.

15

00606004

LOCK NUT

8шт.

17

87231989

GUIDE

cane, L.H.

1шт.

17

87231990

GUIDE

cane, R.H.

1шт.

18

87242114

SCRAPER

L.H.

1шт.

18

87242113

SCRAPER

R.H.

1шт.

19

87234470

CONNECTING LINK

2шт.

19

FA110025

BOLT

6шт.

19

NC110000

NUT

6шт.

20

87234471

CONNECTING LINK

1шт.

21

00408313

CLAMP

6шт.

22

00408315

COVER PLATE

6шт.

23

FA106070

BOLT

12шт.

23

NC106000

LOCK NUT

12шт.

24

00408314

CLAMP

4шт.

25

00408316

COVER PLATE

4шт.

26

FA106060

BOLT

8шт.

26

NC106000

LOCK NUT

8шт.

87237409

PLATE

SIDEWALL STIFFENER ( AROUND TOPHAT )

1шт.

27

87241640

PLATE tread, L.H.

1шт.

27

87234319

PLATE

PLATE tread, R.H.

1шт.

Выбрано товаров: 46