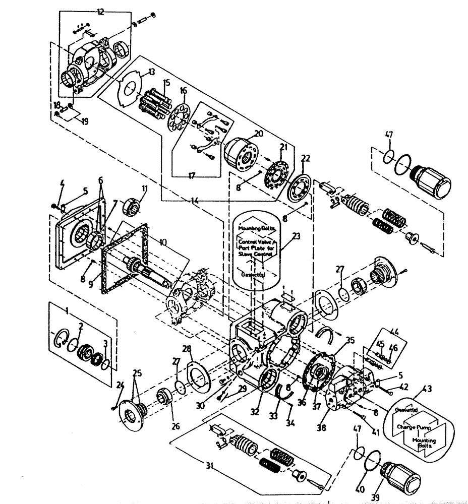
Запчасти Case IH 7700 (B03[06A]) - HYDRAULIC PUMP {TANDEM TRANSMISSION, REAR} Hydraulic Components & Circuits

Схема запчастей Case IH 7700 - (B03[06A]) - HYDRAULIC PUMP {TANDEM TRANSMISSION, REAR} Hydraulic Components & Circuits
2
34
11
43
8
25
40
3
20
29
27
35
16
5
26
15
5
23
27
13
32
21
8
28
33
6
14
17
45
10
12
36
30
9
8
31
37
19
18
42
38
22
39
8
1
47
24
47
44
41
46
4
8
FIT
1:1
100%

Артикул

Название

Примечание

Количество

1

00407127

SEAL

KIT, shaft

1шт.

2

00407128

O-RING

1шт.

3

00407129

O-RING

1шт.

4

00408807

BOLT

12шт.

5

00408808

ASSEMBLY

STRAP

2шт.

6

00408809

FLANGE

1шт.

7

00408810

ASSEMBLY

CUP

1шт.

8

00407134

DOWEL

7шт.

9

00408811

OIL PAN GASKET SET

1шт.

10

00408836

DRIVE SHAFT

1шт.

11

00408812

BEARING SET

KIT

1шт.

12

00409145

HYDRAULIC PUMP

PLATE, swash

1шт.

13

00408814

WEAR PLATE

PLATE

1шт.

14

00408815

HYDROSTATIC PUMP

KIT, rotating group

1шт.

15

00408816

PISTON

9шт.

16

00408817

PLATE

1шт.

17

00408818

ASSEMBLY

KIT, hold down

1шт.

18

00407216

PIN

2шт.

19

00407215

RETAINER

RING

4шт.

20

00408819

FIP KIT

BARREL

1шт.

21

00408820

PLATE

1шт.

22

00408837

PLATE

1шт.

23

00407769

HYDRAULIC PUMP

control

1шт.

24

00408821

BOLT

6шт.

25

00408822

TRUNNION

2шт.

26

00407210

BEARING ASSY

KIT, bearing

2шт.

27

00408823

O-RING

2шт.

28

00408824

SHIM

2шт.

29

00407212

PLUG

O-RING

1шт.

30

00407163

PLUG

O-RING

1шт.

31

00408826

PISTON

2шт.

32

00408825

HOUSING

1шт.

33

00408830

RETAINER

2шт.

34

00407220

SCREW

6шт.

35

00408831

GASKET

1шт.

36

00408832

COVER

KIT, bearing

1шт.

37

00408833

SHIM KIT

1шт.

38

00408838

FLANGE COVER CAP

END

1шт.

39

00408829

KIT, sleeve

2шт.

40

00408828

O-RING

2шт.

41

00408835

BOLT

2шт.

42

00408834

BOLT

6шт.

43

PUMP, charge, refer to Figure B03[15A]

1шт.

44

00407225

CHECK VALVE

2шт.

45

00407226

O-RING

2шт.

46

00407227

BACK-UP RING

2шт.

47

00408827

O-RING

2шт.

48

00409146

HOSE ASSY.

HOSE, not illustrated

1шт.

49

00400228

HYD CONNECTOR

NIPPLE, not illustrated

1шт.

50

00400242

HYD CONNECTOR

ELBOW, not illustrated

1шт.

51

00408913

HYDROSTATIC PUMP

ASSEMBLY

1шт.

52

00408436

HYDRAULIC PUMP

ASSEMBLY, tandem complete

1шт.

Выбрано товаров: 52