Качественные детали и логистика
Оригинальные и аналоговые запчасти с доставкой по России, Казахстану и Беларуси
©2022 PartSell ООО "Система" ИНН 2463123282 ОГРН 1212400004838
Центральный офис: г. Красноярск, Академика Киренского, д.87, пом.4
Телефон: 8 (800) 777-65-74 Email: zakaz@partsell.ru
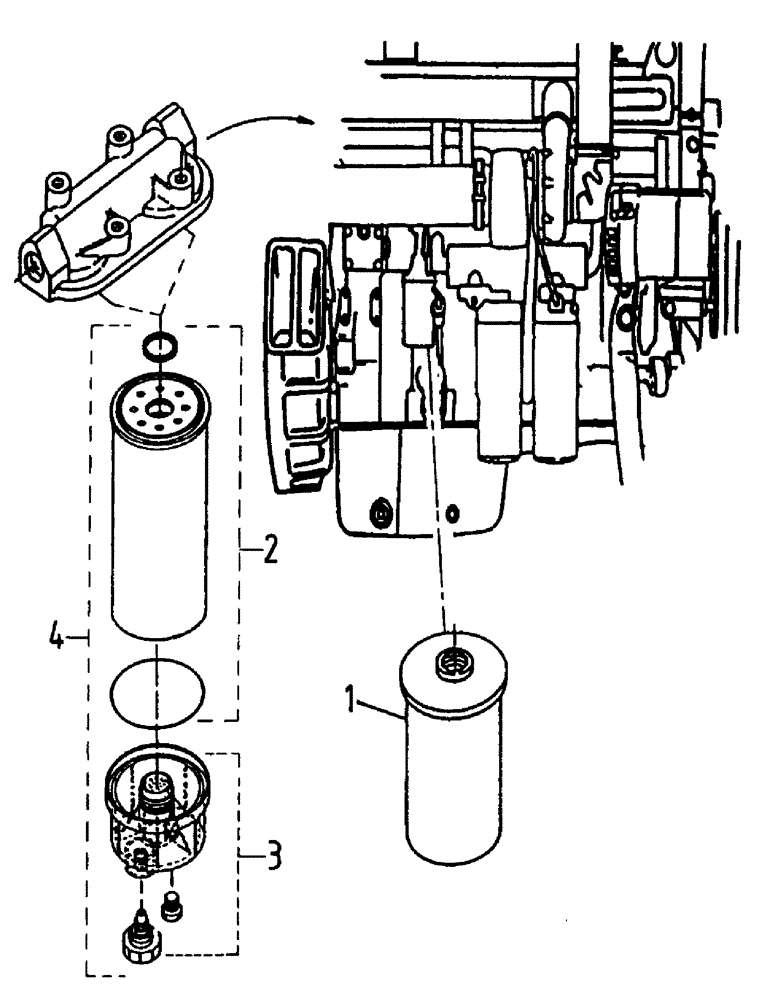
(C01-09) - FILTERS, M11-250/M11-330
№
Артикул
Название
Примечание
Количество
1
00180655
FILTER
CORROSION INHIBITOR
1шт.
2
00180873
ELEMENT
2шт.
3
00139820
BOWL
4
00181925
FUEL FILTER
ASSEMBLY
Выбрано товаров: 0