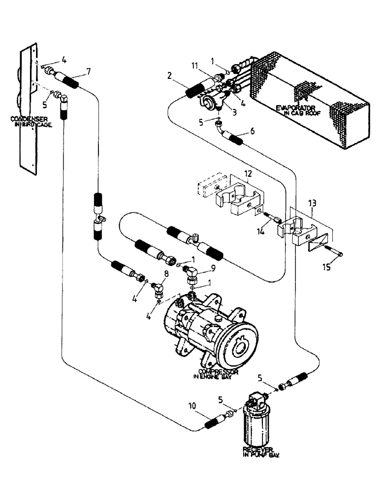
Запчасти Case IH 7700 (B06-44) - HYDRAULIC CIRCUIT, AIR CONDITIONER Hydraulic Components & Circuits

Схема запчастей Case IH 7700 - (B06-44) - HYDRAULIC CIRCUIT, AIR CONDITIONER Hydraulic Components & Circuits
4
7
2
11
5
1
8
5
9
4
3
1
6
10
5
12
4
4
1
14
15
13
5
FIT
1:1
100%

Артикул

Название

Примечание

Количество

1

00181115

O-RING

3шт.

2

87244042

HOSE

1шт.

3

00181699

AIR CONDITIONER

VALVE

1шт.

4

00181114

O-RING

4шт.

5

00181089

O-RING

1шт.

6

87244039

HOSE

1шт.

7

87243308

HOSE

1шт.

8

00409297

ELBOW

1шт.

9

00409298

ELBOW

1шт.

10

87242711

HOSE

1шт.

11

00409581

CLAMP

2шт.

Выбрано товаров: 11