Запчасти Case IH 7700 (B06[31]) - HYDRAULIC CIRCUIT {PRIMARY EXTRACTOR} Hydraulic Components & Circuits

Схема запчастей Case IH 7700 - (B06[31]) - HYDRAULIC CIRCUIT {PRIMARY EXTRACTOR} Hydraulic Components & Circuits
2
1
2
30
27
1
12
2
22
20
28
23
32
3
26
26
33
18
21
10
23
3
19
4
1
5
25
5
20
24
25
26
14
5
31
8
2
1
13
29
6
11
15
3
9
16
24
22
7
17
6
21
3
FIT
1:1
100%

Артикул

Название

Примечание

Количество

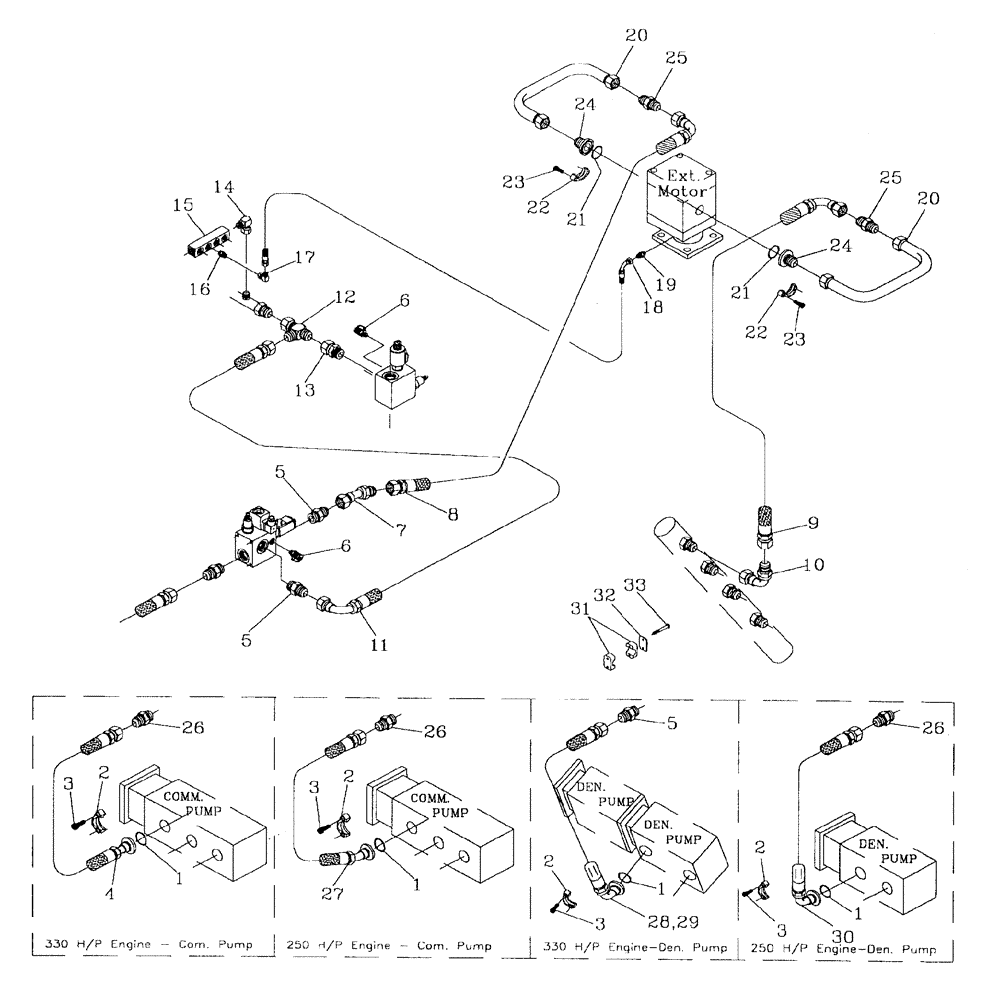
1

00100026

O-RING

1шт.

2

00400266

SPECIAL CLAMP

1шт.

3

00604498

SCREW

4шт.

4

87254845

HOSE

1шт.

5

00400234

HYD CONNECTOR

NIPPLE

2шт.

6

00405498

SCREW ON COUPLING

POINT test

2шт.

7

00407240

HYD CONNECTOR

BEND

1шт.

8

87254844

HOSE ASSY.

1шт.

9

87032800

HOSE ASSY.

1шт.

10

00403944

HYD CONNECTOR

BEND

1шт.

11

81680400

HOSE ASSY.

1шт.

12

00405811

TEE

1шт.

13

00409563

ADAPTER

ADAPTOR

1шт.

14

00409957

ELBOW

ELBOW

1шт.

15

00409953

RETURN PIPE

MANIFOLD

1шт.

16

00400223

HYD CONNECTOR

NIPPLE

1шт.

17

00402879

HYD CONNECTOR

ELBOW

1шт.

18

86315420

HOSE ASSY.

1шт.

19

00402235

HYD CONNECTOR

NIPPLE

1шт.

20

87254126

TUBE,25.40 mm OD

2шт.

21

00100024

O-RING

2шт.

22

00400151

SPECIAL CLAMP

2шт.

23

00604462

SCREW

8шт.

24

87249554

HYD CONNECTOR

ADAPTOR

2шт.

25

00400184

HYD CONNECTOR

NIPPLE

2шт.

26

00400235

HYD CONNECTOR

NIPPLE

1шт.

27

87253537

HOSE

1шт.

28

87251210

HOSE

[M11]

1шт.

29

87252208

HOSE

1шт.

30

87251606

HOSE

1шт.

31

00409575

CLAMP

1шт.

32

00409576

COVER PLATE

1шт.

33

FA110070

BOLT

2шт.

Выбрано товаров: 0