Запчасти Case IH 7700 (A09[01]) - STEERING AND FRONT SUSPENSION Mainframe & Functioning Components

Схема запчастей Case IH 7700 - (A09[01]) - STEERING AND FRONT SUSPENSION Mainframe & Functioning Components
17
29
9
10
25
33
36
7
30
41
15
21
24
34
4
37
1
21
31
6
35
18
28
13
39
27
15
4
20
12
15
32
14
5
14
16
26
8
21
22
19
11
23
40
38
14
15
42
2
3
FIT
1:1
100%

Артикул

Название

Примечание

Количество

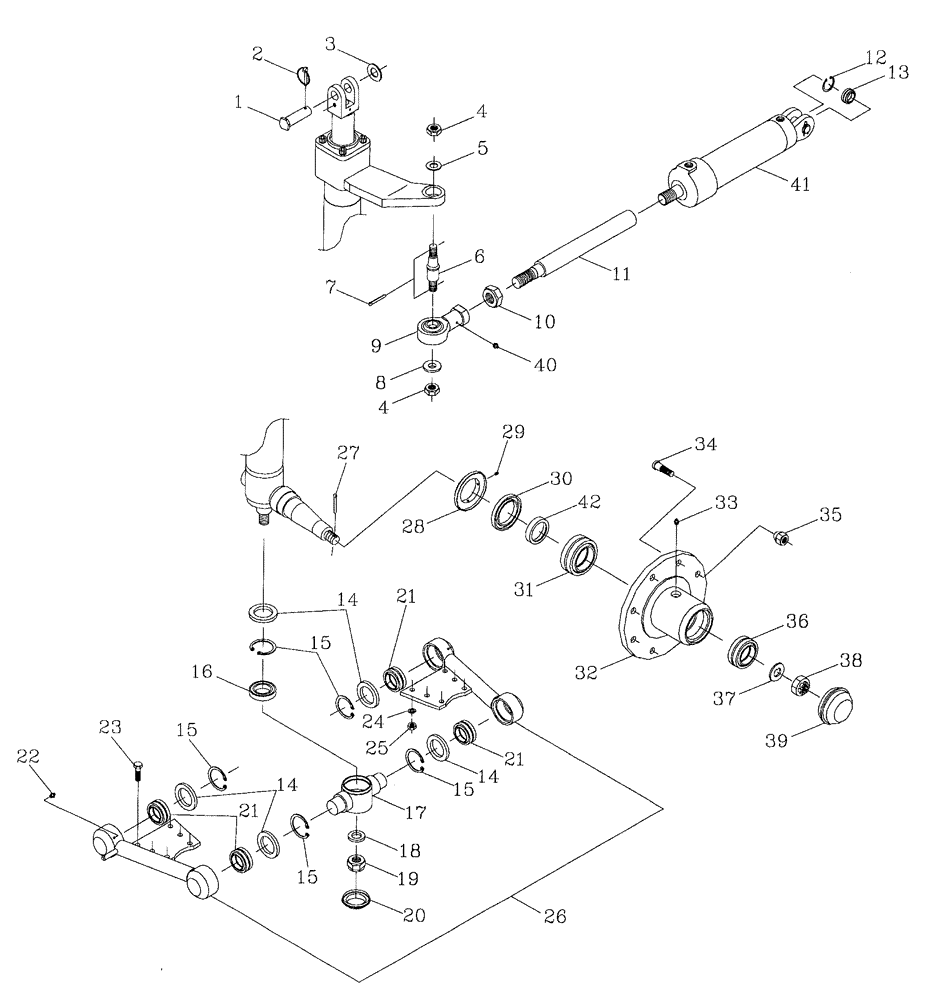
1

87230605

PIN,25.4mm OD x 92mm L

2шт.

2

00606627

PIN

Lynch

2шт.

3

00605814

WASHER

2шт.

4

ND220000

NUT

4шт.

5

WA200000

WASHER

2шт.

6

87248792

ADAPTER,M20 x 1.5 x 136mm L

2шт.

7

SA032032

COTTER PIN

4шт.

8

87248793

WASHER

2шт.

9

87237378

CLEVIS COUPLING

Rod end

2шт.

10

87229688

LOCK NUT

Lock

2шт.

11

409633A1

STEERING TIE-ROD

2шт.

12

CI042000

CIRCLIP

2шт.

13

00141584

BEARING

2шт.

14

00100712

OIL SEAL

10шт.

15

CI068000

CIRCLIP

10шт.

16

00140263

BALL BEARING

2шт.

17

87213990

PIVOT

2шт.

18

86979200

WASHER

Washer

2шт.

19

00606020

LOCK NUT

2шт.

20

00140983

DUST CAP

Cover

2шт.

21

00141399

BEARING

8шт.

22

00138722

LUBE NIPPLE

Grease

8шт.

23

FM112035

BOLT

12шт.

24

WB120000

WASHER

12шт.

25

NJ112000

NUT

12шт.

26

86983800

STEERING ASSY

Wishbone [LH]

1шт.

26

86758000

STEERING ASSY

Wishbone [RH]

1шт.

27

SA063050

COTTER PIN

2шт.

28

87237471

MOUNTING PARTS

Seal protector

2шт.

29

00605057

SCREW

4шт.

30

391172A1

OIL SEAL,70mm ID x 100mm OD x 10mm Thk

2шт.

31

00140734

BEARING

2шт.

32

87241643

HUB

2шт.

33

00138637

LUBE NIPPLE

Grease

2шт.

34

00608020

STUD

16шт.

35

00607915

NUT

Wheel

16шт.

36

00146636

BEARING

2шт.

37

87213993

LOCK WASHER

2шт.

38

87217685

CROWN NUT

2шт.

39

00140982

DUST CAP

Cover

2шт.

40

00180934

DRIVE

Grease nipple

2шт.

41

CYLINDER, Hydraulic Refer to Figure B02 (06}

1шт.

42

389567A1

SPACER

2шт.

Выбрано товаров: 43