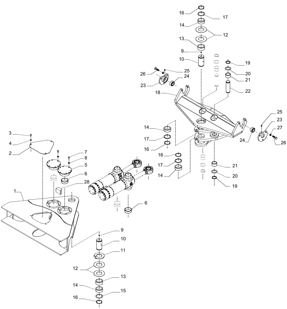
Запчасти Case IH A7000 (A08.01[01]) - Elevator Slew Mechanism (13) - FEEDER

Схема запчастей Case IH A7000 - (A08.01[01]) - Elevator Slew Mechanism (13) - FEEDER
21
12
25
17
16
26
4
16
3
24
17
25
13
16
20
9
10
11
15
19
19
14
20
22
9
2
14
14
13
16
5
26
17
6
8
27
12
18
1
7
23
6
10
14
23
24
21
28
FIT
1:1
100%

Артикул

Название

Примечание

Количество

1

399583A1

FRAME

1шт.

2

399610A1

COVER PLATE

1шт.

3

FA110020

BOLT

3шт.

4

WB100000

WASHER

3шт.

5

399594A1

BOSS

2шт.

6

114318A1

BUSHING,80.19mm ID x 90mm OD x 29.35mm L

4шт.

7

FA112025

BOLT

12шт.

8

WB120000

WASHER

12шт.

9

00138637

LUBE NIPPLE

2шт.

10

399606A1

PIN,70mm OD x 139mm L

2шт.

11

243084A1

LOCK WASHER,72mm ID x 146mm OD x 5mm Thk

1шт.

12

134167A1

SHIM,72mm ID x 140mm OD x 2.05mm Thk

4шт.

13

D151070

BUSHING,70.19mm ID x 90mm OD x 38mm L

Upper

2шт.

14

D151069

BUSHING,70.19mm ID x 90mm OD x 32mm L

Lower

4шт.

15

D136391

SHIM,72mm ID x 89mm OD x 1.57mm Thk

1шт.

16

800-40070

SNAP RING,M70 Ext

4шт.

17

D136392

SHIM,72mm ID x 89mm OD x 3.05mm Thk

3шт.

18

399595A1

TABLE

1шт.

19

103-16200

SNAP RING,#200, Ext

4шт.

20

495-81227

WASHER,52.38mm ID x 74.63mm OD x 1.7mm Thk

4шт.

21

135248A1

BUSHING,50.94mm ID x 63.5mm OD x 38.1mm L

4шт.

22

399607A1

PIN,50.77mm OD x 167mm L

2шт.

23

87244744

MOUNTING PARTS

2шт.

24

00141399

BEARING

2шт.

25

00180940

LUBE NIPPLE

2шт.

26

FA116040

BOLT

6шт.

27

WB160000

SPRING WASHER

6шт.

28

399597A1

STOP

1шт.

Выбрано товаров: 28