Запчасти Case IH A8000 (88.100.01) - KIT AUTO FLOAT (88) - ACCESSORIES

Схема запчастей Case IH A8000 - (88.100.01) - KIT AUTO FLOAT (88) - ACCESSORIES
7
17
8
9
13
10
4
18
3
6
14
15
12
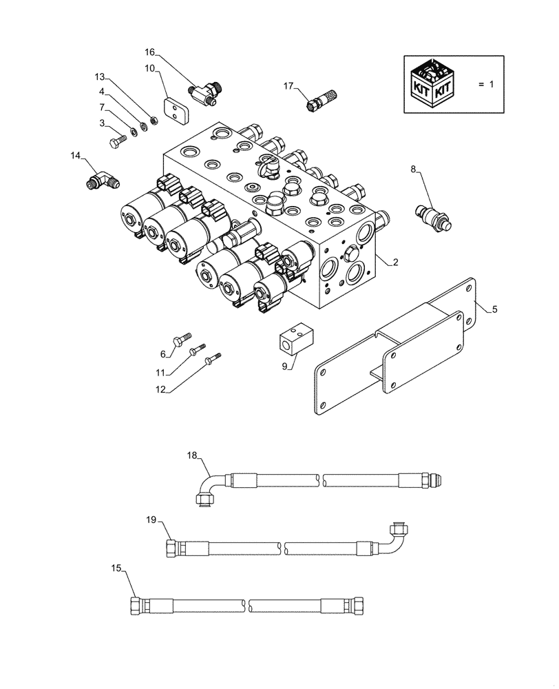
2
1
19
11
16
5
FIT
1:1
100%

Артикул

Название

Примечание

Количество

1

48138702

KIT

1шт.

2

47912895

BLOCK

1шт.

3

16043224

BOLT,Hex, M8 x 16mm, Cl 8.8

4шт.

4

83990583

LOCK WASHER,M8 x 14.8mm OD x 2.1mm Thk

4шт.

5

47812882

SUPPORT

1шт.

6

43138

BOLT,Hex, M10 x 1.5 x 20mm, Cl 8.8

4шт.

7

140028

WASHER,10.2mm ID x 18.1mm OD x 2.2mm Thk

4шт.

8

86523197

SENSOR

2шт.

9

47977696

HYD CONNECTOR

2шт.

10

48071920

PLATE

1шт.

11

87317695

BOLT,Hex, M6 x 30mm, Cl 10.9, Full Thd

2шт.

12

86977789

BOLT,Hex, M6 x 1.0 x 35mm, Cl 8.8

2шт.

13

86500688

NUT,Hex, M6 x 1.0, Cl 10.9

2шт.

14

86512936

ELBOW,9/16" - 18 JIC x 7/16" - 20 ORB

2шт.

15

48066870

HOSE

2шт.

16

87331046

TEE,3/4" - 16 ORB x 9/16" - 18 JIC x 9/16" - 18 JIC

2шт.

17

87217477

HOSE ASSY.

1шт.

18

47841972

HYDRAULIC HOSE

1шт.

19

47842213

HYDRAULIC HOSE

1шт.

Выбрано товаров: 19