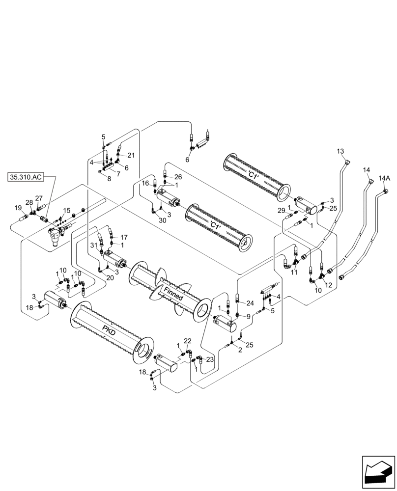
Запчасти Case IH A8800 (35.000.AA[03]) - HYDRAULIC CIRCUIT (PKD/FINNED/1ST & 2ND FLOATING ROLLERS) (35) - HYDRAULIC SYSTEMS

Схема запчастей Case IH A8800 - (35.000.AA[03]) - HYDRAULIC CIRCUIT (PKD/FINNED/1ST & 2ND FLOATING ROLLERS) (35) - HYDRAULIC SYSTEMS
5
1
10
1
29
18
6
4
30
18
13
1
20
3
23
7
27
8
15
1
1
17
25
4
19
6
3
3
28
11
2
12
1
1
24
14a
9
14
10
5
3
21
10
16
35.310.ac
25
1
26
31
3
22
1
FIT
1:1
100%

Артикул

Название

Примечание

Количество

1

00400228

HYD CONNECTOR

8шт.

2

00403925

TEE

1шт.

3

00405242

HYD CONNECTOR

4шт.

4

00400223

HYD CONNECTOR

4шт.

5

00402879

HYD CONNECTOR

2шт.

6

00407832

HYD CONNECTOR

2шт.

7

00409953

RETURN PIPE

1шт.

8

00400106

HYD CONNECTOR

1шт.

9

00400229

HYD CONNECTOR

1шт.

10

00407516

HYD CONNECTOR

3шт.

11

87226946

TEE

1шт.

12

86983880

TEE

1шт.

13

442993A1

TUBE

1шт.

13

84541619

TUBE

1шт.

MY2012

1шт.

14

442994A1

TUBE

1шт.

14a

84541614

TUBE

1шт.

MY2012

1шт.

15

00404677

TEE

1шт.

16

87421989

HOSE,12.7mm ID x 3300mm L, SAE 100R17

1шт.

17

86312387

HOSE ASSY.

1шт.

18

87216749

HOSE ASSY.

2шт.

19

86308610

HOSE ASSY.

1шт.

20

82702100

HOSE ASSY.

1шт.

21

87247531

HOSE ASSY.

1шт.

22

87412284

HOSE,12.7mm ID x 3180mm L, SAE 100R17

1шт.

23

82760400

HOSE ASSY.

1шт.

24

87255572

HOSE,19.05mm ID x 1950mm L, SAE 100R16

1шт.

25

86302756

HOSE ASSY.

2шт.

26

87421990

HOSE,12.7mm ID x 2920mm L, SAE 100R17

1шт.

27

86313007

HOSE ASSY.

1шт.

28

00407003

TEE

1шт.

29

86303537

HOSE ASSY.

1шт.

30

86312263

HOSE ASSY.

1шт.

31

87463316

HYD CONNECTOR

Long

1шт.

Выбрано товаров: 0