Запчасти Case IH A8800 (35.000.AA[16]) - HYDRAULIC CIRCUIT FAN DRIVE (35) - HYDRAULIC SYSTEMS

Схема запчастей Case IH A8800 - (35.000.AA[16]) - HYDRAULIC CIRCUIT FAN DRIVE (35) - HYDRAULIC SYSTEMS
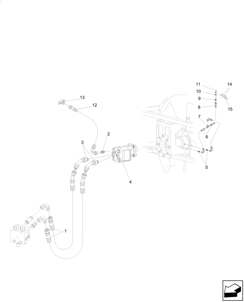
5
14
9
11
12
8
2
13
15
10
1
4
3
6
7
FIT
1:1
100%

Артикул

Название

Примечание

Количество

1

47884676

HOSE

, Start Serial: 882817

2шт.

2

00400223

HYD CONNECTOR

1шт.

3

00400097

HYD CONNECTOR

2шт.

4

00409101

MOTOR, HYDRAULIC

1шт.

4

00409101R

REMAN-HYD MOTOR

A8000 (TYRE MACHINE), A8800 (TRACK MACHINE), Both SUGAR CANE HARVESTER (BRAZIL), ASN 880001 (4/09-)

1шт.

4

00409101C

CORE-MOTOR HYDRAULIC

Return Number

1шт.

5

00400162

HYD CONNECTOR

2шт.

6

86327400

HOSE ASSY.

2шт.

7

76355

TEE,9/16" - 18 JIC x 9/16" - 18 JIC x 9/16" - 18 JIC

, Start Serial: 882817

1шт.

8

87217477

HOSE ASSY.

1шт.

9

00400160

HYD CONNECTOR

1шт.

10

0000154669

ADAPTER

1шт.

11

00132755

LUBE NIPPLE

1шт.

12

87237583

HOSE ASSY.

1шт.

13

0000407916

FITTING

1шт.

14

00405073

CLAMP

1шт.

15

00405221

COVER PLATE

1шт.

Выбрано товаров: 0