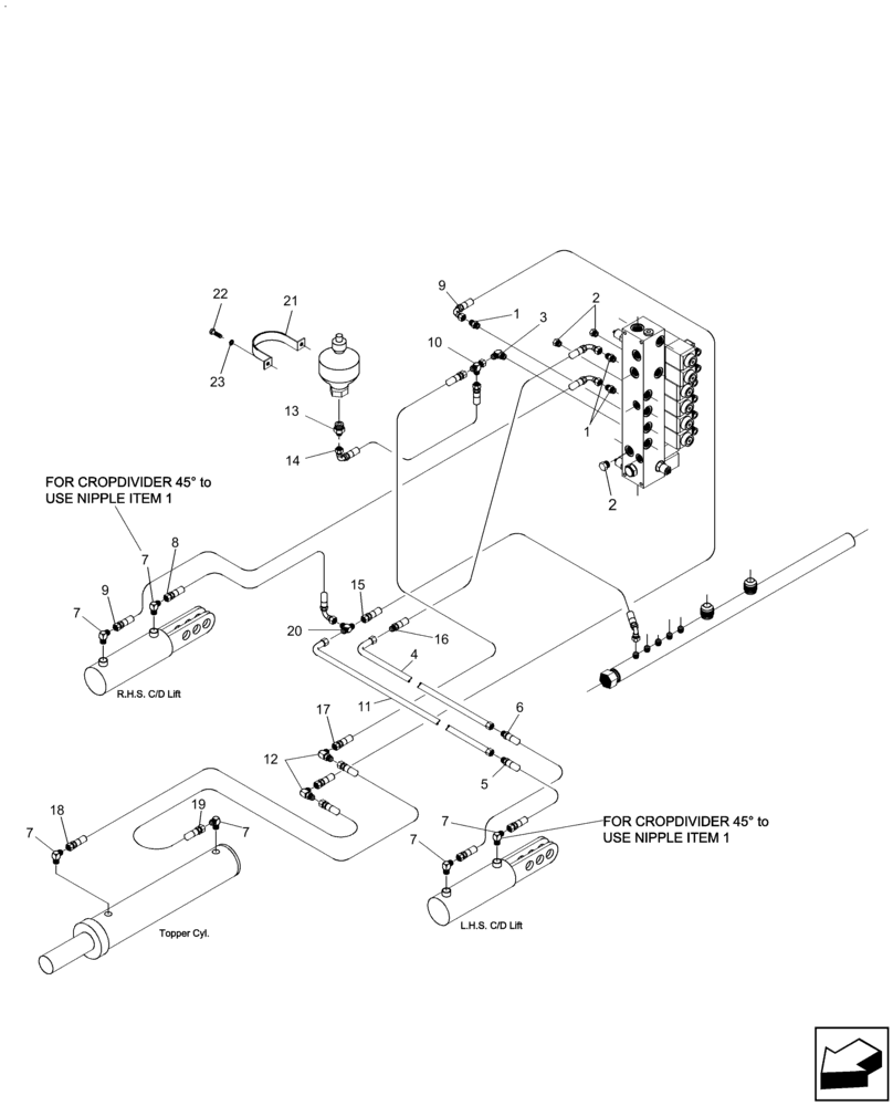
Запчасти Case IH A8800 (35.000.AA[23]) - HYDRAULIC CIRCUIT (TOPPER AND CROPDIVIDER LIFT) (35) - HYDRAULIC SYSTEMS

Схема запчастей Case IH A8800 - (35.000.AA[23]) - HYDRAULIC CIRCUIT (TOPPER AND CROPDIVIDER LIFT) (35) - HYDRAULIC SYSTEMS
23
2
22
10
7
1
13
7
6
7
7
7
7
17
5
3
21
8
2
19
9
1
9
15
12
16
18
11
14
20
4
FIT
1:1
100%

Артикул

Название

Примечание

Количество

1

00400224

HYD CONNECTOR

3шт.

+ 02 divider 45°

1шт.

2

00400106

HYD CONNECTOR

3шт.

3

00402475

HYD CONNECTOR

1шт.

4

87423733

TUBE,9.5 mm DIA x 971, 50 mm L

1шт.

5

87423014

HOSE,6.35mm ID x 1250mm L, SAE 100R17

1шт.

6

87233551

HOSE,6.35mm ID x 1550mm L, SAE 100R17

1шт.

6

87247137

HOSE ASSY.

1шт.

Divider 45°

1шт.

7

00402475

HYD CONNECTOR

6шт.

- 02 divider 45°

1шт.

8

86313828

HOSE ASSY.

1шт.

9

87217477

HOSE ASSY.

2шт.

10

00404677

TEE

1шт.

11

87423730

TUBE,9.5 mm DIA x 971, 40 mm L

1шт.

12

00404781

HYD CONNECTOR

Long

2шт.

13

00404765

HYD CONNECTOR

1шт.

14

86327600

HOSE ASSY.

1шт.

15

87256634

HOSE ASSY.

1шт.

16

451180A1

HOSE,6.35mm ID x 630mm L, SAE 100R17

1шт.

17

86306167

HOSE,6.35mm ID x 1590mm L, SAE 100R17

1шт.

18

86310227

HOSE ASSY.

1шт.

19

81678000

HOSE ASSY.

1шт.

20

00400207

TEE

1шт.

21

87462133

CLAMP,106mm ID

1шт.

22

FA108016

BOLT

2шт.

23

WB080000

WASHER

2шт.

Выбрано товаров: 0