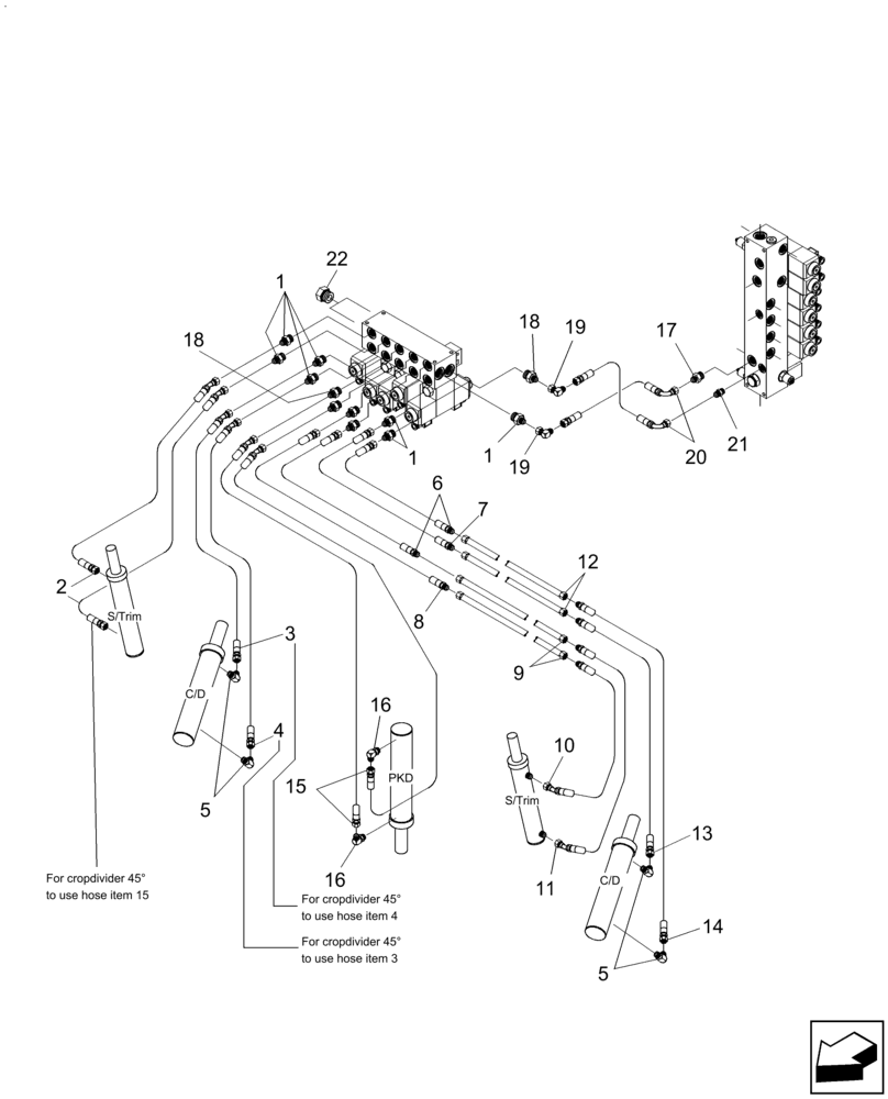
Запчасти Case IH A8800 (35.000.AA[24]) - HYDRAULIC CIRCUIT (PKD ROLLER / CROPDIVIDER AND SIDETRIM LIFT) (35) - HYDRAULIC SYSTEMS

Схема запчастей Case IH A8800 - (35.000.AA[24]) - HYDRAULIC CIRCUIT (PKD ROLLER / CROPDIVIDER AND SIDETRIM LIFT) (35) - HYDRAULIC SYSTEMS
10
21
11
15
12
22
16
13
8
5
7
19
14
6
17
16
5
20
18
1
3
1
9
2
1
4
18
19
FIT
1:1
100%

Артикул

Название

Примечание

Количество

1

00400224

HYD CONNECTOR

10шт.

2

87256265

HOSE ASSY.

2шт.

2

87261157

FLEXIBLE HOSE

2шт.

Divider 45°

1шт.

3

86988676

HOSE,6.35mm ID x 1500mm L, SAE 100R17

1шт.

4

87255998

HOSE,6.35mm ID x 1670mm L, SAE 100R17

1шт.

5

00400238

HYD CONNECTOR

4шт.

6

87423020

HOSE,6.35mm ID x 610mm L, SAE 100R17

2шт.

7

87423019

HOSE,6.35mm ID x 650mm L, SAE 100R17

1шт.

8

87238307

HOSE,6.35mm ID x 570mm L, SAE 100R17

1шт.

9

87423825

TUBE,9.5 mm DIA x 1150 mm L

2шт.

10

87423017

HOSE,6.35mm ID x 2000mm L, SAE 100R17

1шт.

10

87461155

HOSE ASSY.

1шт.

Divider 45°

1шт.

11

87423018

HOSE,6.35mm ID x 2100mm L, SAE 100R17

1шт.

11

87461156

HOSE ASSY.

1шт.

Divider 45°

1шт.

12

87423827

TUBE,9.5 mm DIA x 1100 mm L

2шт.

13

87423015

HOSE,6.35mm ID x 1800mm L, SAE 100R17

1шт.

14

87423016

HOSE,6.35mm ID x 1950mm L, SAE 100R17

1шт.

15

86988883

HOSE,6.35mm ID x 2300mm L, SAE 100R17

2шт.

16

00402475

HYD CONNECTOR

2шт.

17

00400224

HYD CONNECTOR

2шт.

18

444074A1

HYD CONNECTOR

1шт.

19

00402879

HYD CONNECTOR

2шт.

20

86310227

HOSE ASSY.

2шт.

21

00400223

HYD CONNECTOR

1шт.

22

00400106

HYD CONNECTOR

2шт.

Выбрано товаров: 0