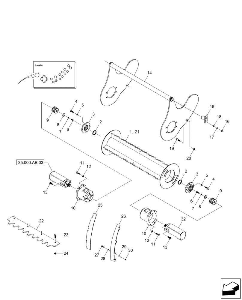
Запчасти Case IH A8800 (60.360.AA[01]) - POWER KNOCKDOWN ROLLER (STANDARD) (60) - PRODUCT FEEDING

Схема запчастей Case IH A8800 - (60.360.AA[01]) - POWER KNOCKDOWN ROLLER (STANDARD) (60) - PRODUCT FEEDING
18
14
27
2
22
32
11
25
2
26
12
7
19
13
6
29
11
6
10
21
13
8
30
20
4
23
15
35.000.ab 03
8
12
4
3
24
1
28
5
3
16
9
17
7
5
10
9
FIT
1:1
100%

Артикул

Название

Примечание

Количество

1

379609A1

ROLLER

1шт.

2

86701900

SPACER,52mm ID x 63mm OD x 5mm L

1шт.

If necessary

1шт.

3

86700800

ADAPTER

2шт.

4

FA112025

BOLT

8шт.

5

WB120000

WASHER

8шт.

6

00601499

BOLT

2шт.

7

00605827

WASHER

6шт.

8

86778400

WASHER,10.5mm ID x 38.5mm OD x 5.15mm Thk

2шт.

9

86701200

GEAR

2шт.

10

87217094

HOUSING

2шт.

11

00601501

BOLT

8шт.

12

00605829

WASHER

8шт.

13

00604538

SCREW

4шт.

14

379617A1

CRADLE

1шт.

15

86965900

PIN,38.1mm OD x 75mm L

2шт.

16

NA110000

NUT

4шт.

17

WB100000

WASHER

4шт.

18

WA100000

WASHER

4шт.

19

FA112050

BOLT

2шт.

20

NA112000

NUT

2шт.

21

450954A1

ROLLER

1шт.

Optional

1шт.

22

87242294

SLAT

4шт.

Optional

1шт.

23

FA112040

BOLT

16шт.

24

NC112000

NUT

16шт.

25

363733A1

COVER ASSY

RH

1шт.

Optional

1шт.

26

363739A1

COVER ASSY

RH

1шт.

Optional

1шт.

27

FA108020

BOLT

8шт.

28

WA080000

WASHER

8шт.

29

WB080000

WASHER

8шт.

30

NA108000

NUT

8шт.

31

87253635

FEED ROLLER

Assy STD

1шт.

31

451044A1

ROLLER

Assy

1шт.

Optional

1шт.

Выбрано товаров: 38