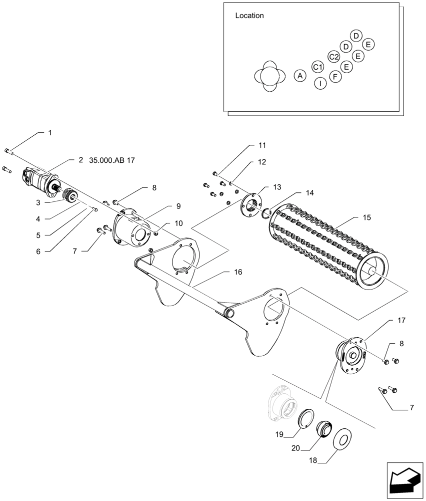
Запчасти Case IH A8800 (60.390.AA[01]) - TOP ROLLERS (A, C1, C2 AND D) - MY2016 (60) - PRODUCT FEEDING

Схема запчастей Case IH A8800 - (60.390.AA[01]) - TOP ROLLERS (A, C1, C2 AND D) - MY2016 (60) - PRODUCT FEEDING
35.000.ab 17
11
9
15
6
16
7
12
7
2
20
3
8
19
1
17
14
10
4
5
8
13
18
FIT
1:1
100%

Артикул

Название

Примечание

Количество

1

86570628

HEX SOC SCREW,1/2" - 13 x 2"

2шт.

2

47671168

HYDRAULIC MOTOR

1шт.

3

86701200

GEAR

1шт.

4

80680

LOCK WASHER,3/8 0.381 CST ZND

1шт.

5

86778400

WASHER,10.5mm ID x 38.5mm OD x 5.15mm Thk

1шт.

6

88206

BOLT,Hex, 3/8" - 16 x 1", Gr 5

1шт.

7

844-12050

BOLT,Hex, M12 x 50mm, Cl 8.8

4шт.

8

844-12030

BOLT,Hvy Hex, M12 x 30mm, Cl 8.8

4шт.

9

87217094

HOUSING

1шт.

10

87632742

NUT

2шт.

11

300388

BOLT,Hex, M12 x 1.75 x 25mm, Cl 8.8

4шт.

12

412123

LOCK WASHER,13.1mm ID x 21.1mm OD x 2.55mm Thk

4шт.

13

86700800

ADAPTER

1шт.

14

86701900

SPACER,52mm ID x 63mm OD x 5mm L

1шт.

15

47541102

ROLLER

1шт.

16

47624822

ARM

D

1шт.

16

47624810

ARM

C1

1шт.

16

47624816

ARM

C2

1шт.

16

47624804

ARM

A

1шт.

17

47533971

PILLOW BLOCK

1шт.

18

47874571

BEARING COVER

1шт.

19

47874569

COVER

1шт.

20

47613975

BALL BEARING

1шт.

Выбрано товаров: 23