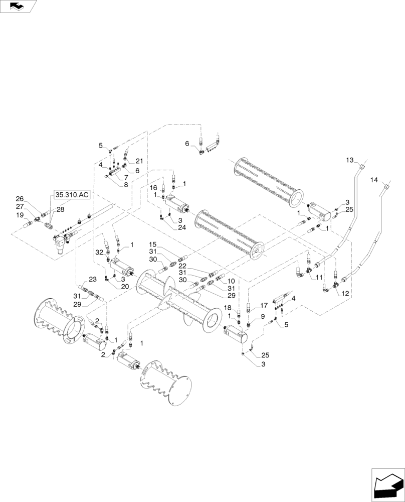
Запчасти Case IH A8800 (35.000.AA[04]) - HYDRAULIC SYSTEM (ADJUSTABLE PKD/FINNED/1ST & 2ND FLOATING ROLLERS) (35) - HYDRAULIC SYSTEMS

Схема запчастей Case IH A8800 - (35.000.AA[04]) - HYDRAULIC SYSTEM (ADJUSTABLE PKD/FINNED/1ST & 2ND FLOATING ROLLERS) (35) - HYDRAULIC SYSTEMS
5
16
1
30
3
19
2
21
1
28
20
31
8
3
1
4
31
5
1
10
31
23
35.310.ac
29
3
2
14
3
26
13
6
18
4
15
12
24
1
27
9
1
6
30
32
1
7
31
1
25
11
22
25
home
29
17
FIT
1:1
100%

Артикул

Название

Примечание

Количество

1

00400228

HYD CONNECTOR

8шт.

2

00404791

FITTING

2шт.

3

00405242

HYD CONNECTOR

2шт.

4

00400223

HYD CONNECTOR

8шт.

5

00402879

HYD CONNECTOR

2шт.

6

00407832

HYD CONNECTOR

1шт.

7

00409953

RETURN PIPE

1шт.

8

00400106

HYD CONNECTOR

1шт.

9

00400229

HYD CONNECTOR

1шт.

10

83129800

PIPE FITTING

1шт.

11

87226946

TEE

1шт.

12

86983880

TEE

1шт.

13

442993A1

TUBE

1шт.

14

442994A1

TUBE

1шт.

15

86308517

PIPE FITTING

1шт.

16

86308196

HOSE,12.7mm ID x 1660mm L, SAE 100R17

1шт.

17

87255572

HOSE,19.05mm ID x 1950mm L, SAE 100R16

1шт.

18

82728700

HOSE,12.7mm ID x 2200mm L, SAE 100R17

1шт.

19

86308610

HOSE ASSY.

1шт.

20

82702100

HOSE ASSY.

1шт.

21

87247531

HOSE ASSY.

1шт.

22

82728700

HOSE,12.7mm ID x 2200mm L, SAE 100R17

1шт.

23

87463427

HOSE,12.7mm ID x 2100mm L, SAE 100R17

1шт.

25

86302756

HOSE ASSY.

1шт.

26

86313007

HOSE ASSY.

1шт.

27

00407003

TEE

1шт.

28

REF

INSTRUCTION

Hydraulic Valve

1шт.

29

82757800

HOSE ASSY.

2шт.

30

87236682

HOSE,12.7mm ID x 1150mm L, SAE 100R17

2шт.

31

00400069

LUBE NIPPLE

4шт.

32

87463316

HYD CONNECTOR

Long

1шт.

Выбрано товаров: 31