Запчасти Case IH A8800 (35.000.AA[37]) - HYDRAULIC PUMP, TRANSMISSION - MY2016 (35) - HYDRAULIC SYSTEMS

Схема запчастей Case IH A8800 - (35.000.AA[37]) - HYDRAULIC PUMP, TRANSMISSION - MY2016 (35) - HYDRAULIC SYSTEMS
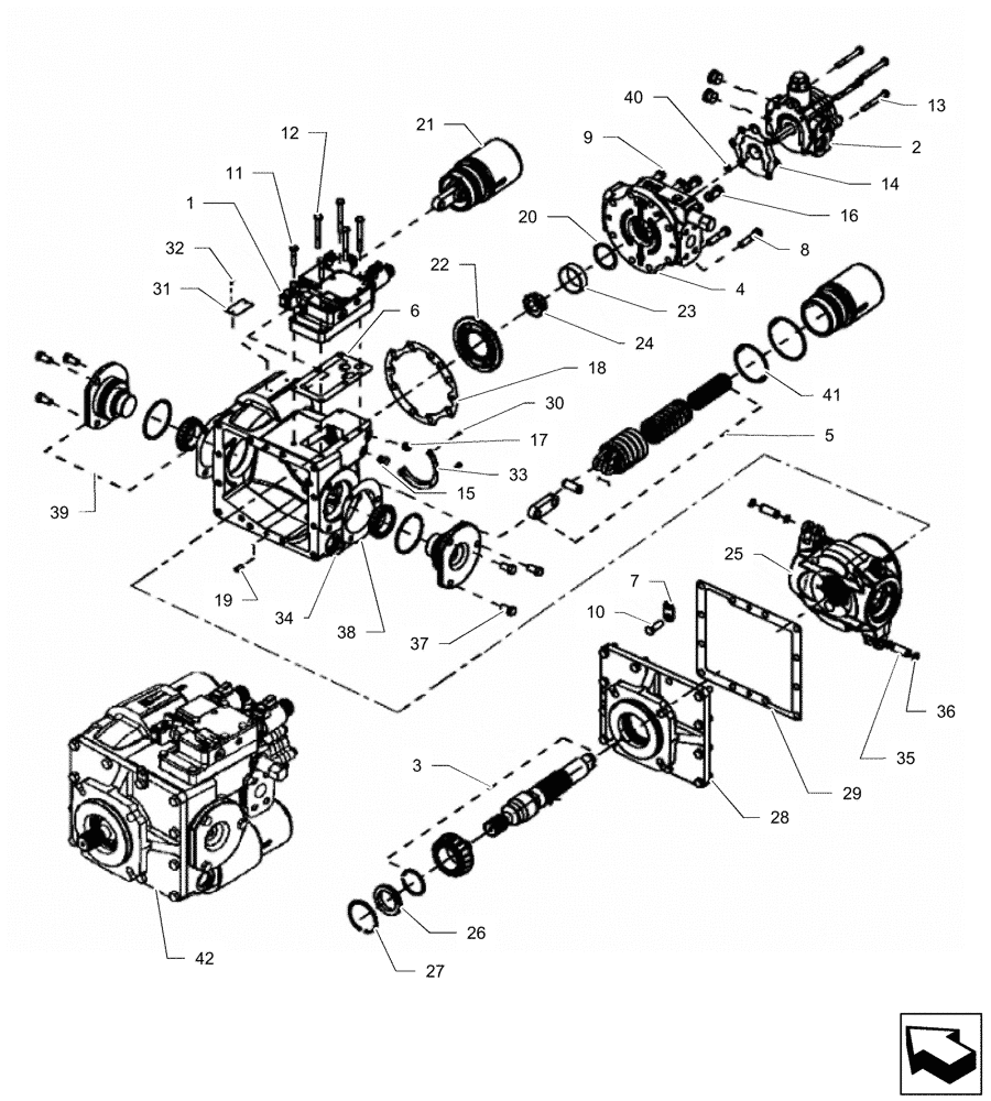
5
16
20
18
6
8
1
39
32
22
40
10
15
33
23
24
34
30
3
7
9
19
42
14
41
35
2
26
13
11
17
38
37
25
31
27
21
4
36
29
12
28
FIT
1:1
100%

Артикул

Название

Примечание

Количество

1

84587368

VALVE

1шт.

2

47893340

BODY

1шт.

3

84162874

DRIVE SHAFT

1шт.

4

390478A1

COVER

1шт.

5

00407214

PISTON

2шт.

6

00407576

GASKET

1шт.

7

84165393

FIXING PLATE

2шт.

8

280541

BOLT,Hex, 7/16" - 14 x 2", Gr 8

2шт.

9

280874

BOLT,Hex, 7/16" - 14 x 3", Gr 8

6шт.

10

9627887

BOLT,Hex, 7/16" - 14 x 1 1/4", Gr 5, Full Thd

12шт.

11

113-157

BOLT,Locking, 5/16" - 18 x 1-1/2", Gr 5

4шт.

12

26-544

BOLT,Hex, 5/16" - 18 x 2-3/4", Gr 8

2шт.

13

00407914

BOLT

4шт.

14

47893360

SEALING STRIP

1шт.

15

00407212

PLUG

3шт.

16

00407225

CHECK VALVE

2шт.

17

407163

PLUG

1шт.

18

00407221

COVER

1шт.

19

00407134

DOWEL

7шт.

20

84176409

BRAKE VALVE

1шт.

21

84165895

SLEEVE

2шт.

22

00407206

PLATE

1шт.

23

00407149

SHIM KIT

1шт.

24

407148

SPARE PART

1шт.

25

84165919

ROTARY DIVIDER

1шт.

26

84165925

SHAFT SEAL

1шт.

27

84174894

SNAP RING

1шт.

28

84174895

COUPLING FLANGE

1шт.

29

407203

GASKET

1шт.

30

407220

SCREW

6шт.

31

84174897

NAMEPLATE

1шт.

32

84174899

CONTROL VALVE

2шт.

33

00407219

RETAINER

2шт.

34

84162626

HOUSING

1шт.

35

00407216

PIN

2шт.

36

00407215

RETAINER

4шт.

37

50087

BOLT,Hex, 7/16" - 14 x 7/8", Gr 5, Full Thd

6шт.

38

00407211

GASKET KIT

2шт.

39

84174900

TRUNNION

2шт.

40

84174902

ORIFICE

1шт.

41

84174903

DRAIN PLUG

1шт.

42

47893387

PUMP

1шт.

Выбрано товаров: 42