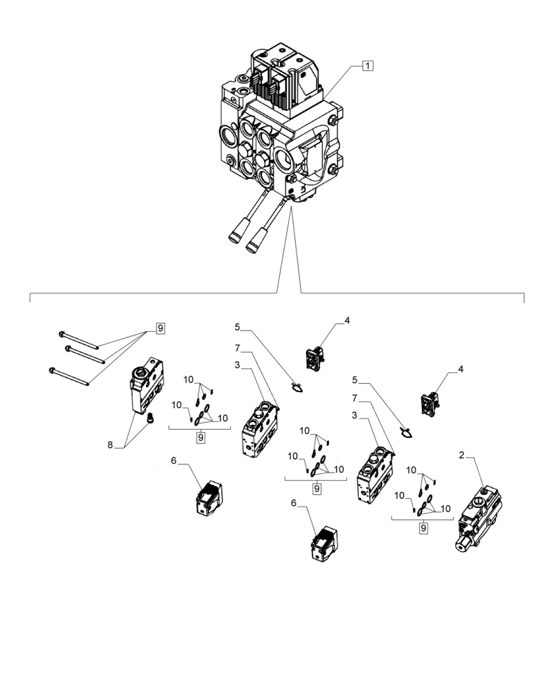
Запчасти Case IH A8800 (35.359.AQ[02]) - CONTROL VALVE, PVG (35) - HYDRAULIC SYSTEMS

Схема запчастей Case IH A8800 - (35.359.AQ[02]) - CONTROL VALVE, PVG (35) - HYDRAULIC SYSTEMS
9
8
10
10
10
10
4
5
3
5
1
10
10
4
10
3
2
6
9
7
6
10
7
9
10
9
FIT
1:1
100%

Артикул

Название

Примечание

Количество

1

47839726

CONTROL VALVE

Incl 2 - 10

1шт.

2

47846666

BODY

Intake

1шт.

3

47496022

BODY

Central

2шт.

4

47496024

BODY

Manual

2шт.

5

47496013

SEAL KIT

2шт.

6

47496017

CARRIER

2шт.

7

47496018

SPOOL

2шт.

8

47498924

BODY

1шт.

9

47498927

SET OF SCREWS

Incl 10

1шт.

10

47496009

SEAL KIT

Incl in 9

3шт.

Выбрано товаров: 10