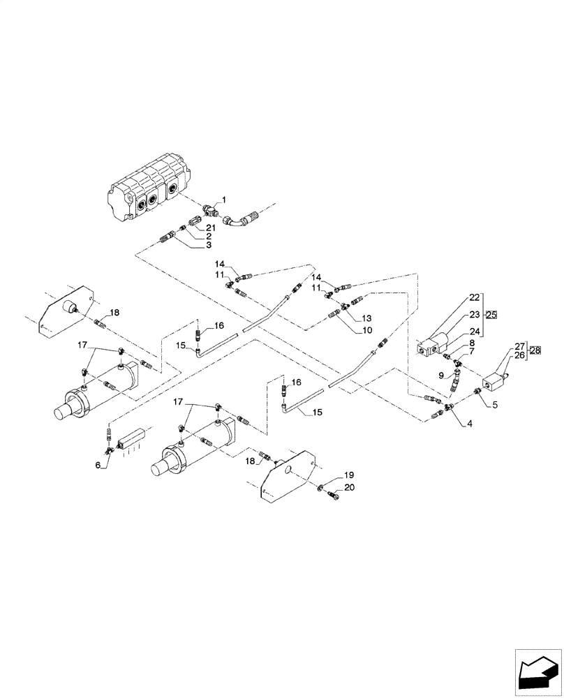
Запчасти Case IH A8800 (48.134.AJ[02]) - HYDRAULIC SYSTEM, TRACK ADJUST (48) - TRACKS & TRACK SUSPENSION

Схема запчастей Case IH A8800 - (48.134.AJ[02]) - HYDRAULIC SYSTEM, TRACK ADJUST (48) - TRACKS & TRACK SUSPENSION
6
2
19
15
26
18
17
14
11
1
13
7
28
10
15
17
8
22
15
24
23
21
3
11
4
14
9
18
16
27
5
20
25
FIT
1:1
100%

Артикул

Название

Примечание

Количество

1

87421571

TEE

1шт.

2

00404766

HYD CONNECTOR

1шт.

3

87424963

HOSE,9.53mm ID x 1670mm L, SAE 100R17

1шт.

4

00404787

TEE

1шт.

5

00400073

HYD CONNECTOR

1шт.

6

00404677

TEE

2шт.

7

00408455

TEE

1шт.

8

00409421

HYD CONNECTOR

1шт.

9

84174906

HOSE,9.53mm ID x 2000mm L, SAE 100R17

1шт.

10

86493600

HOSE,6.35mm ID x 1420mm L, SAE 100R17

1шт.

11

00404781

HYD CONNECTOR

2шт.

12

84174904

HOSE,9.53mm ID x 1800mm L, SAE 100R17

1шт.

13

0000407916

FITTING

1шт.

14

87421694

HOSE,6.35mm ID x 2810mm L, SAE 100R17

2шт.

15

87421693

HYD TUBE,9.5 mm DIA

2шт.

16

87421695

HOSE,6.35mm ID x 390mm L, SAE 100R17

2шт.

17

00400238

HYD CONNECTOR

4шт.

18

87216984

HOSE,6.35mm ID x 440mm L, SAE 100R17

2шт.

19

00131478

WASHER

2шт.

20

00131479

VALVE

2шт.

21

00402736

CHECK VALVE

1шт.

22

84205255

HYDRAULIC VALVE

1шт.

23

84586393

VALVE

1шт.

24

84586391

VALVE

1шт.

25

84542302

VALVE

Assy, Incl 22 - 24

1шт.

26

00407821

VALVE PRESSURE RELIE

1шт.

27

00407822

BODY

1шт.

28

87223879

VALVE PRESSURE RELIE

Assy, Incl 26, 27

1шт.

Выбрано товаров: 28