Запчасти Case IH AUSTOFT (A01[10]) - FRONT AXLE MOUNT Mainframe & Functioning Components

Схема запчастей Case IH AUSTOFT - (A01[10]) - FRONT AXLE MOUNT Mainframe & Functioning Components
26
28
19
10
5
14
6
18
31
15
7
29
25
24
12
2
21
13
20
30
17
1
8
4
3
13
19
12
14
22
11
9
12
11
10
16
23
12
27
9
FIT
1:1
100%

Артикул

Название

Примечание

Количество

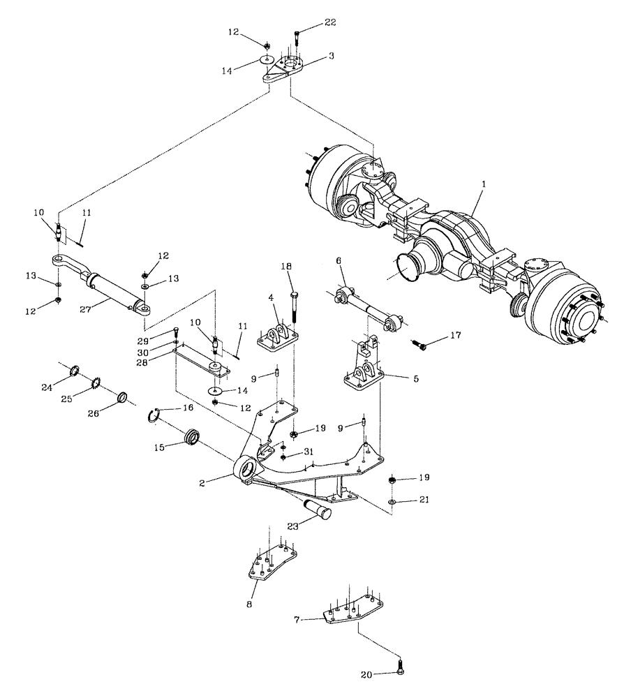
1

368196A1

AXLE assy.

1шт.

2

349803A1

MOUNTING PARTS

AXLE mount

1шт.

3

377488A1

STEERING ARM

1шт.

4

370397A1

CLEVIS

(R.H. lower)

1шт.

5

370396A1

CLEVIS

(l.H. lower)

1шт.

6

371763A1

ARM ASSY.

ARM Panard

1шт.

7

371761A1

PLATE (L.H.)

1шт.

8

371762A1

PLATE (R.H.)

1шт.

9

371691A1

PIN

dowel

2шт.

10

377485A1

PIN

ADAPTOR

2шт.

11

SA032032

COTTER PIN

4шт.

12

ND220000

NUT

4шт.

13

377484A1

SPACER

WASHER

2шт.

14

377483A1

LOCK WASHER

2шт.

15

00141557

BEARING

1шт.

16

CI105000

CIRCLIP

1шт.

17

FC120065

SCREW

4шт.

18

FA124300

BOLT

8шт.

19

NA124000

NUT

14шт.

20

FA124070

BOLT

6шт.

21

WA240000

WASHER

8шт.

22

FC116060

SCREW

6шт.

23

370189A1

PIN

pivot

1шт.

24

00146590

NUT

LOCKNUT

1шт.

25

00146591

LOCKING DEVICE

LOCKWASHER

1шт.

26

373722A1

SPACER

1шт.

27

HYD cylinder Refer page B01.03

1шт.

28

370403A1

CROSSMEMBER

1шт.

29

FA116045

BOLT

4шт.

30

WA160000

WASHER

8шт.

31

NA116000

NUT

4шт.

Выбрано товаров: 31