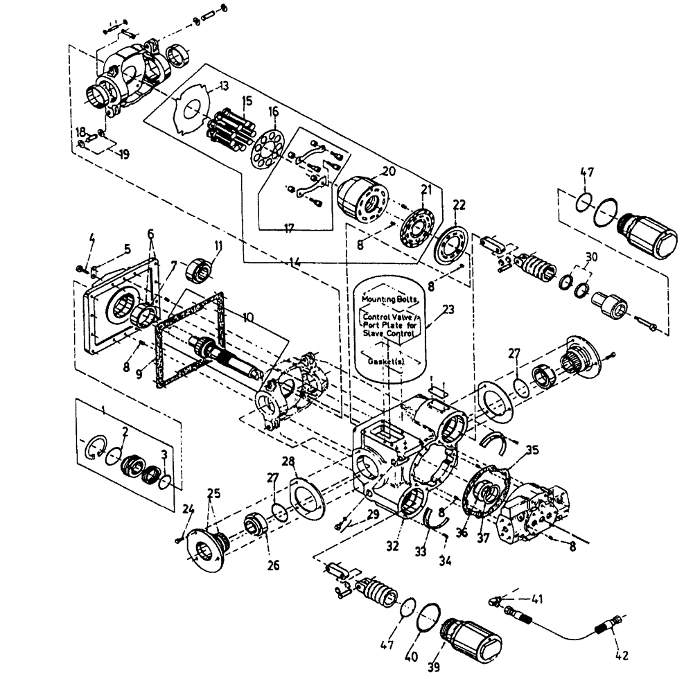
Запчасти Case IH AUSTOFT (B02-03) - HYDRAULIC MOTOR (REAR WHEELS) Hydraulic Components & Circuits

Схема запчастей Case IH AUSTOFT - (B02-03) - HYDRAULIC MOTOR (REAR WHEELS) Hydraulic Components & Circuits
23
27
20
8
40
27
34
26
42
8
29
22
25
11
41
5
14
17
36
37
18
32
8
21
7
1
15
16
3
35
6
47
9
4
47
2
19
33
24
10
39
30
28
13
8
8
FIT
1:1
100%

Артикул

Название

Примечание

Количество

1

00407127

SEAL

KIT [Shaft]

1шт.

2

00407128

O-RING

1шт.

3

00407129

O-RING

1шт.

4

00408807

BOLT

12шт.

5

00408808

ASSEMBLY

STRAP

2шт.

6

00408809

FLANGE

1шт.

7

00408810

ASSEMBLY

CUP

1шт.

8

00407134

DOWEL

7шт.

9

00408811

OIL PAN GASKET SET

1шт.

10

00409109

SHAFT

1шт.

11

00408812

BEARING SET

KIT

1шт.

13

00408814

WEAR PLATE

PLATE

1шт.

14

00409111

KIT

GROUP rotating

1шт.

15

00409112

PISTON

9шт.

16

00407175

SLIPPER

PLATE

1шт.

17

00408818

ASSEMBLY

HOLDDOWN KIT

1шт.

18

00407216

PIN

2шт.

19

00407215

RETAINER

RING

4шт.

20

00407177

CYLINDER

barrel

1шт.

21

00407178

PLATE

1шт.

22

00407179

HYDRAULIC MOTOR

plate

1шт.

23

378902A1

VALVE

DESTROKING

1шт.

00409698

COIL

DESTROKING VALVE

1шт.

442735A1

PIN

SENSE PIN

1шт.

00410023

BALL

SENSE BALL

1шт.

24

00408821

BOLT

6шт.

25

00408822

TRUNNION

2шт.

26

00407210

BEARING ASSY

KIT bearing

2шт.

27

00408823

O-RING

4шт.

28

00408824

SHIM

2шт.

29

00407212

PLUG

O-ring

1шт.

30

00409119

SHIM

1шт.

30

00409120

SHIM

1шт.

32

00408825

HOUSING

1шт.

33

00408830

RETAINER

2шт.

34

00407220

SCREW

6шт.

35

00408831

GASKET

1шт.

36

00408832

COVER

end

1шт.

37

00408833

SHIM KIT

1шт.

73322159

PISTON

SERVO

1шт.

1980163C1

HOUSING

SWASHPLATE

1шт.

39

00408829

KIT sleeve

2шт.

40

00408828

O-RING

2шт.

41

00409117

FITTING

1шт.

42

00409118

HOSE

1шт.

47

00408827

O-RING

2шт.

48

00409510

SEAL KIT

1шт.

49

87242168

MOTOR, HYDRAULIC

ASSEMBLY

1шт.

Выбрано товаров: 48