Качественные детали и логистика
Оригинальные и аналоговые запчасти с доставкой по России, Казахстану и Беларуси
©2022 PartSell ООО "Система" ИНН 2463123282 ОГРН 1212400004838
Центральный офис: г. Красноярск, Академика Киренского, д.87, пом.4
Телефон: 8 (800) 777-65-74 Email: zakaz@partsell.ru
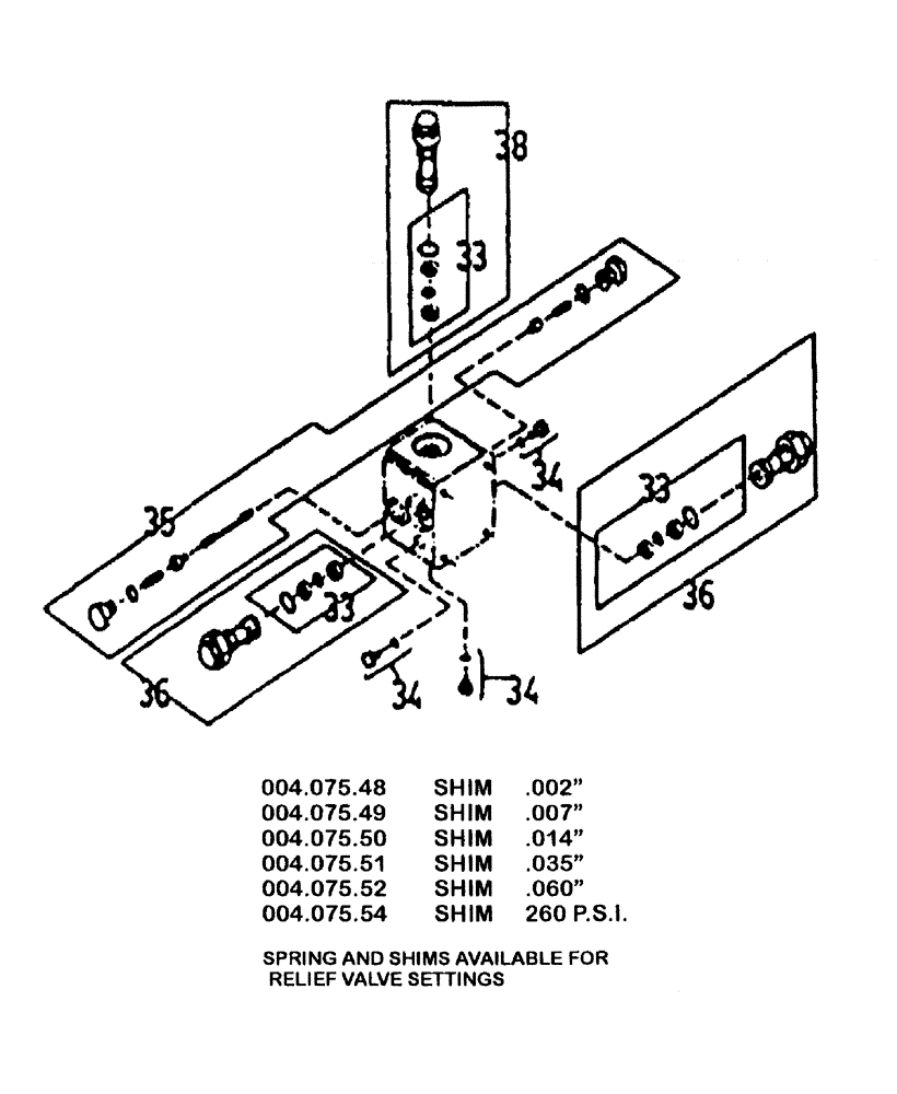
(B04-04) - VALVE BLOCK
№
Артикул
Название
Примечание
Количество
33
00407161
SEAL KIT
[Relief Valve]
3шт.
34
00407163
PLUG
3-ring
35
00407162
HYDRAULIC VALVE
shuttle
1шт.
36
00407189
VALVE, PRESSURE RELI
EF
2шт.
38
00407915
VALVE PRESSURE RELIE
39
00409839
PUMP, HYDROSTATIC
HYDROSTATIC PUMP ASSEMBLY
Выбрано товаров: 0