Запчасти Case IH AUSTOFT (A01-09) - BIN ELEVATOR Mainframe & Functioning Components

Схема запчастей Case IH AUSTOFT - (A01-09) - BIN ELEVATOR Mainframe & Functioning Components
9
5
4
15
8
13
10
6
11
7
1
3
2
3
14
12
FIT
1:1
100%

Артикул

Название

Примечание

Количество

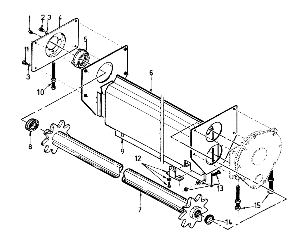
1

00153751

LUBE NIPPLE

1шт.

2

00606755

BOLT

SCREW

4шт.

3

00605829

WASHER

12шт.

4

87218573

PLATE slide

1шт.

5

87213555

HOUSING, BEARING,87 mm ID x 62 mm

1шт.

6

87218458

ADJUSTER

adjustable

1шт.

7

87218572

SHAFT ASSY.

1шт.

8

00140493

BEARING

1шт.

9

87227970

FLOOR

plate

1шт.

10

87218632

BOLT

1шт.

11

FM112020

BOLT

4шт.

12

87219085

COVER ASSY

1шт.

12

FA112020

BOLT

2шт.

12

WB120000

WASHER

2шт.

13

FD110025

SCREW,Flat Hd, Csk, M10 x 1.5 x 25mm

8шт.

13

87252349

WASHER

8шт.

13

NC110000

NUT

8шт.

14

87224019

SPACER

1шт.

15

87238524

BOLT

2шт.

Выбрано товаров: 19