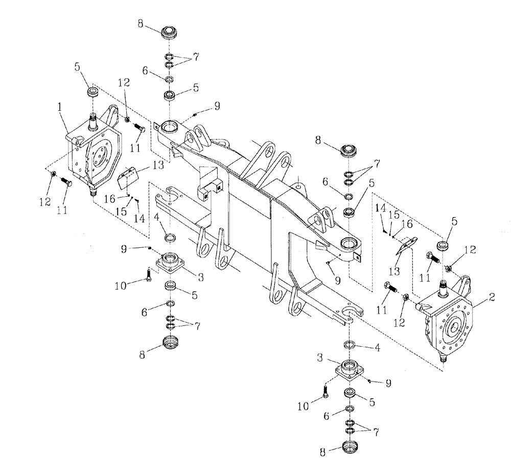
Запчасти Case IH AUSTOFT (A01-14) - BRAKE CALLIPER MOUNTS (FRONT AXLE) Mainframe & Functioning Components

Схема запчастей Case IH AUSTOFT - (A01-14) - BRAKE CALLIPER MOUNTS (FRONT AXLE) Mainframe & Functioning Components
8
9
5
11
3
5
6
14
12
10
12
5
11
15
9
5
16
7
8
11
6
12
7
8
2
15
7
6
13
14
9
5
13
7
12
1
8
16
4
11
9
3
5
4
10
6
FIT
1:1
100%

Артикул

Название

Примечание

Количество

1

87234149

MOUNTING PARTS

[RH]

1шт.

2

87234186

MOUNTING PARTS

[LH]

1шт.

3

87234201

BEARING HOUSING

2шт.

4

00100809

OIL SEAL

2шт.

5

00146613

BEARING ASSY

6шт.

6

87234185

WASHER

4шт.

7

00146600

NUT

lock

8шт.

8

00140982

DUST CAP

cover

4шт.

9

00180448

LUBE NIPPLE

grease

4шт.

10

FM116040

BOLT

8шт.

11

FM220060

BOLT

4шт.

12

NA220000

NUT

4шт.

13

87249293

COVER

2шт.

14

FA106016

BOLT

4шт.

15

WB060000

SPRING WASHER

4шт.

16

WA060000

WASHER

4шт.

Выбрано товаров: 16