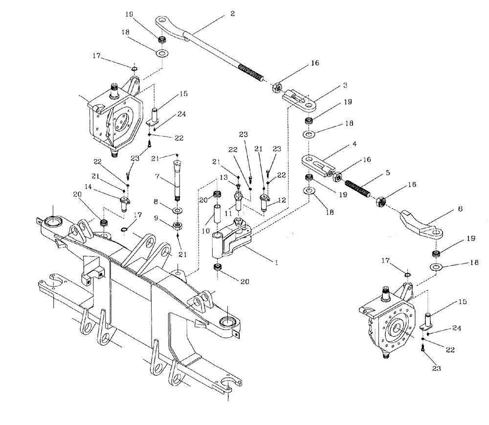
Запчасти Case IH AUSTOFT (A01-15) - TIE RODS (FRONT AXLE) Mainframe & Functioning Components

Схема запчастей Case IH AUSTOFT - (A01-15) - TIE RODS (FRONT AXLE) Mainframe & Functioning Components
20
18
12
2
22
11
8
22
10
17
16
17
5
21
14
19
18
21
3
15
9
20
22
7
19
24
6
16
16
24
19
4
20
21
18
21
23
15
23
17
22
1
21
18
23
13
22
19
23
FIT
1:1
100%

Артикул

Название

Примечание

Количество

1

87234203

BELLCRANK

1шт.

2

87219525

STEERING TIE-ROD

arm

1шт.

3

87219524

BEARING ASSY

PLATE rod

1шт.

4

87246892

PLATE

rod

1шт.

5

87246893

STEERING TIE-ROD

1шт.

6

87246956

PLATE

rod

1шт.

7

87250138

PIN

1шт.

8

87234221

WASHER

1шт.

9

NC130000

NUT

1шт.

10

87234210

SPACER

1шт.

11

87219381

PIN

1шт.

12

87219383

PIN

1шт.

13

87239373

BOLT

grease

1шт.

14

87219378

PIN

1шт.

15

87249313

PIN

2шт.

16

00603128

NUT

3шт.

17

CE030000

CIRCLIP

3шт.

18

87220603

WASHER,38 mm ID x 76 mm OD x 1.6 mm

4шт.

19

00141704

BEARING

4шт.

20

00141400

BEARING

3шт.

21

00138637

LUBE NIPPLE

grease

5шт.

22

WB100000

WASHER

5шт.

23

FA110025

BOLT

5шт.

24

00139943

LUBE NIPPLE

grease

2шт.

Выбрано товаров: 24