Запчасти Case IH 730 (9-10) - HITCH GROUP (09) - CHASSIS

Схема запчастей Case IH 730 - (9-10) - HITCH GROUP (09) - CHASSIS
337
17
32
3
38
30
11
24
14
21
19
10
34
9
13
12
27
5
1
23
15
36
16
4
20
28
33
25
2
20
27
38
26
18
6
1
31
28
40
4
25
29
8
22
35
FIT
1:1
100%

Артикул

Название

Примечание

Количество

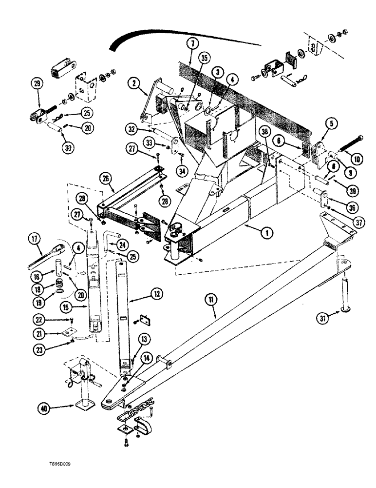
1

91378C1

HITCH ASSY, TRAILER

HITCH - main

1шт.

2

1276445C2

PIVOT

- cylinder, 21 and 25 foot

1шт.

2

1954846C2

PIVOT

- cylinder, 30 and 36 foot

1шт.

3

1276446C1

WASHER

- flat

1шт.

4

38-32432

PIN,3/8" x 2", Coiled

2шт.

5

1276441C1

PIVOT

- spring, 21 and 25 foot

1шт.

5

1954847C1

SPRING

PIVOT - spring, 30 and 36 foot

1шт.

6

1276440C1

SPACER

- prior to P.I.N. 2280, not required for 30 or 36 foot

2шт.

7

1276444C1

SPRING

PLATE - float spring, 4 used on 30 and 36 foot

3шт.

8

1281386C1

PIN

- clevis, 3/4 x 3-1/4 inch

1шт.

9

1276442C1

NUT

- special

1шт.

10

1276443C1

BOLT

- adjusting

1шт.

11

1973370C1

HITCH ASSY, TRAILER

HITCH - front, for 36 foot see page 9-15 if used, also order jack 1973369C1, see item 40 below

1шт.

12

1334199C1

TUBE,72 mm OD, 1184 mm Length

CHANNEL - inside, hitch

1шт.

13

413-1296

BOLT,Hex, 3/4" - 10 x 6", Gr 5

- hex, 3/4 NC x 6 inch

1шт.

14

231-41312

LOCK NUT,3/4"-10, GB

NUT - hex, self-locking, 3/4 inch NC

1шт.

15

1276428C1

CHANNEL

- outside, hitch

1шт.

16

1276433C1

PIN

- lock

1шт.

17

1276432C1

LEVER

- locking

1шт.

18

1276434C1

SPRING

- compression

1шт.

19

1276435C1

WASHER

- flat

1шт.

20

38-11628

LOCK PIN,1/4" x 1 3/4", Slotted

Pin, , 4 used prior to P.I.N. 516 1/4" x 1 3/4", Slotted

2шт.

21

1276431C1

PLATE

- pin

1шт.

22

434-820

CARRIAGE BOLT,Sht Sq Nk, 1/2" - 13 x 1 1/4", Gr 5

BOLT - carriage, 1/2 NC x 1-1/4 inch

1шт.

23

9412230

LOCK NUT

- lock, 1/2 inch NC distorted thread

1шт.

24

1276436C1

PIN

- securing

1шт.

25

591107R1

COTTER PIN

- hair

2шт.

26

95622C1

PIN

CHANNEL - long

1шт.

Ref 26-- 95622c1 attached to this part is part number 95623c1. \___________/ is a bit like its shape. Its the pc illustrated on a 90 degree angle in front of item 26. CAM/CNS 10/15/99

1шт.

27

413-1296

BOLT,Hex, 3/4" - 10 x 6", Gr 5

- hex, 3/4 NC x 6 inch

2шт.

28

231-41312

LOCK NUT,3/4"-10, GB

NUT - hex, self-locking, 3/4 inch NC

2шт.

29

1276447C1

CLEVIS

- male, header lock, prior to P.I.N. 735

1шт.

30

1276449C1

PIN

- header lock, 2 used prior to P.I.N. 516

1шт.

31

95626C1

PIN

- hitch, prior to P.I.N. 736, also order items 67 and hardware items 68 and 69 on page 9-13

1шт.

32

1276438C1

PIN

- hitch, right-hand

1шт.

33

9412230

LOCK NUT

- lock, 1/2 inch NC distorted thread

1шт.

34

413-824

BOLT,Hex, 1/2" - 13 x 1-1/2", Gr 5

1шт.

35

496-21106

WASHER,1 1/16" x 2" x .209", HDN

- flat, 1-1/16 x 2 x 13/64 inch, Hardened

1шт.

36

1276439C1

PIN

- hitch, left-hand

1шт.

37

9412230

LOCK NUT

- lock, 1/2 inch NC distorted thread

1шт.

38

413-824

BOLT,Hex, 1/2" - 13 x 1-1/2", Gr 5

1шт.

39

432-1220

COTTER PIN,3/16" x 1 1/4"

3/16" x 1 1/4"

1шт.

40

96149C1

JACK

- snap ring mount, if used

1шт.

40

1973369C1

JACK

- tube mount, if used

1шт.

Выбрано товаров: 44