Запчасти Case IH 730 (9-12) - HITCH GROUP (CONTD) (09) - CHASSIS

Схема запчастей Case IH 730 - (9-12) - HITCH GROUP (CONTD) (09) - CHASSIS
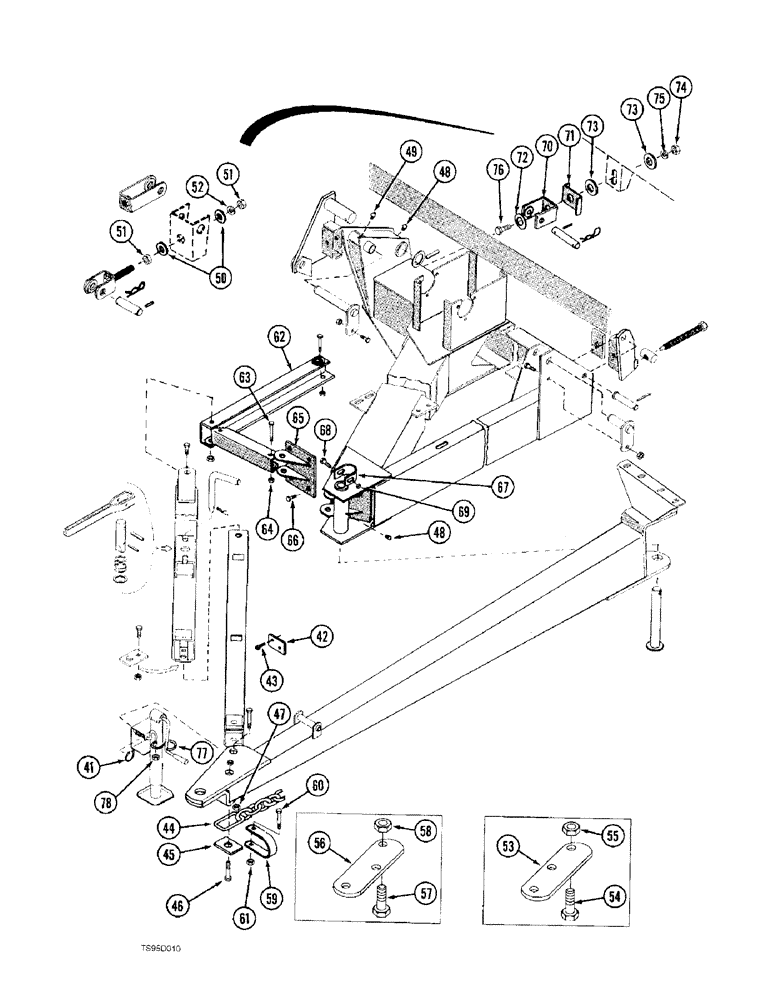
50
54
59
52
66
5
72
76
64
61
53
51
55
73
65
41
58
46
77
57
78
75
69
48
51
42
67
47
71
60
44
74
73
49
48
70
43
63
68
45
62
FIT
1:1
100%

Артикул

Название

Примечание

Количество

41

684645R1

SNAP RING,#250, Ext

Ring, Snap, , if used #250, Ext

1шт.

42

1281427C1

BAR

- flat, prior to P.I.N. 516

1шт.

43

413-632

BOLT,Hex, 3/8" - 16 x 2", Gr 5

- hex, 3/8 NC x 2 inch, Prior to P.I.N. 516

2шт.

44

700705598

CHAIN (CE)

CHAIN - hitch, 5/16 link x 59-1/4 inch, to tractor or towing vehicle

1шт.

45

1281426C1

WASHER

- rectangular

1шт.

46

413-12104

BOLT,Hex, 3/4" - 10 x 6-1/2", Gr 5

- hex, 3/4 NC x 6-1/2 inch

1шт.

47

231-41312

LOCK NUT,3/4"-10, GB

NUT - hex, self-locking, 3/4 inch NC

1шт.

48

219-8

LUBE NIPPLE,1/4" - 28 NPTF

NIPPLE, LUBE, , straight, taper 1/4"-28 NPT x .54" lg

2шт.

49

219-57

LUBE NIPPLE,90 Degree Elbow, 1/4" - 28 NPTF

FITTING - grease, 90 degree, 1/4-28 taper x 3/4 inch

1шт.

50

495-81255

WASHER,0.78" ID x 1.5" OD x 0.18" Thk

- flat, 25/32 x 1-1/2 x 11/64inch, prior to P.I.N. 736

2шт.

51

425-1012

NUT,3/4"-10, G5

- hex, 3/4 inch NC

2шт.

52

492-11075

LOCK WASHER,3/4"

3/4"

1шт.

1954855C1

KIT

- hitch plate, for tractors without clevis drawbar

1шт.

53

1960289C1

PLATE

- hitch, Serial Range: holes-align

1шт.

54

413-1288

BOLT,Hex, 3/4" - 10 x 5-1/2", Gr 5

- hex, 3/4 NC x 5-1/2 inch

1шт.

55

231-41312

LOCK NUT,3/4"-10, GB

NUT - hex, self-locking, 3/4 inch NC

1шт.

1281369C91

PLATE

KIT - hitch plate, for tractors without clevis drawbar

1шт.

56

95652C1

PLATE

- hitch, center hole offset

1шт.

57

413-12104

BOLT,Hex, 3/4" - 10 x 6-1/2", Gr 5

- hex, 3/4 NC x 6-1/2 inch

1шт.

58

231-41312

LOCK NUT,3/4"-10, GB

NUT - hex, lock, 3/4 inch NC

1шт.

59

1281415C1

CLEVIS

- chain

1шт.

60

413-1056

BOLT,Hex, 5/8" - 11 x 3-1/2", Gr 5

1шт.

61

232-41110

NUT,5/8"-11, GC

NUT, LOCK, 5/8"-11, GC

1шт.

62

95623C1

CHANNEL

- short

1шт.

63

413-1280

BOLT,Hex, 3/4" - 10 x 5", Gr 5

- hex, 3/4 NC x 5 inch

1шт.

64

231-41312

LOCK NUT,3/4"-10, GB

NUT - hex, 3/4 inch NC

1шт.

65

95624C1

SUPPORT

BRACKET - mounting, channel, prior to P.I.N. 736

1шт.

66

409-7816

BOLT,Hex Flg, 1/2" - 13 x 1", Spcl

- hex serrated flange, 1/2 NC x 1 inch

4шт.

67

95646C1

COLLAR

- securing, pin

1шт.

68

413-632

BOLT,Hex, 3/8" - 16 x 2", Gr 5

- hex, 3/8 NC x 2 inch

1шт.

69

231-4116

NUT,3/8"-16, GB

NUT - hex, self-locking, 3/8 inch NC

1шт.

70

91392C1

CLEVIS

- header lock, P.I.N. 736 and after

1шт.

71

91391C1

STOP

- header lock, P.I.N. 736 and after

1шт.

72

Q296

WASHER

- flat, 18 gauge, P.I.N. 736 and after

1шт.

73

496-11081

WASHER,13/16" x 1 1/2" x .134", HDN

Flat, P.I.N. 736 and after 13/16" x 1 1/2" x .134", HDN

2шт.

74

425-1012

NUT,3/4"-10, G5

- hex, 3/4 inch NC

1шт.

75

492-11075

LOCK WASHER,3/4"

3/4"

1шт.

76

413-1232

BOLT,Hex, 3/4" - 10 x 2", Gr 5

- hex, 3/4 NC x 2 inch

1шт.

77

96150C1

HOOK

- "S", if used

1шт.

78

96148C1

NUT

- push on, if used

1шт.

Выбрано товаров: 40