Запчасти Case IH 736 (9-18) - MAIN DRIVES (09) - CHASSIS

Схема запчастей Case IH 736 - (9-18) - MAIN DRIVES (09) - CHASSIS
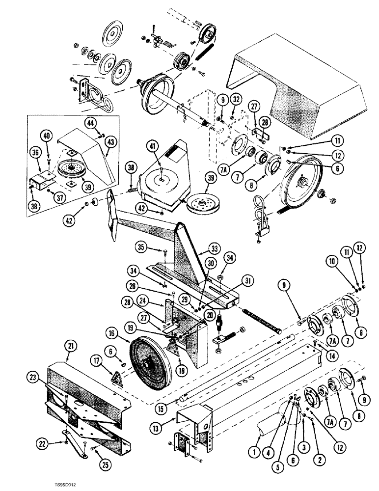
30
12
39
9
36
12
21
7
41
24
7a
28
8
11
7
42
42
12
39
28
6
16
8
7a
35
22
33
34
44
23
38
29
6
7
10
2
9
7a
27
26
15
14
4
40
31
18
11
9
31
27
20
25
38
32
8
34
1
3
43
6
13
5
19
17
FIT
1:1
100%

Артикул

Название

Примечание

Количество

1

REF

INSTRUCTION

LINE - drive, implement, see page 9-25

1шт.

2

113-177

BOLT,Hex, 5/16" - 18 x 3", Gr 5

1шт.

3

232-4115

LOCK NUT,5/16"-18, GC

NUT, LOCK, 5/16"-18, GC

1шт.

4

329-146

JAM NUT,Jam, 3/8"-16, G5

2шт.

5

485-13816

SET SCREW,Sq Hd, 3/8"-16 x 1"

SCREW -set, square head cup point, 3/8 NC x 1 inch

2шт.

6

126-129

WOODRUFF KEY,#C, 5/16" x 1 1/8", HT

Gear #C, 5/16" x 1 1/8", HT

3шт.

7

557116R91

BALL BEARING,30.16mm ID x 62mm OD x 18mm W

BEARING - ball, spherical OD

4шт.

7a

557117R11

COLLAR

COLLAR - lock

4шт.

8

H747188

FLANGED BEARING,112.73 mm OD x 8.74 mm

FLANGE - bearing

4шт.

9

434-616

CARRIAGE BOLT,Sht Sq Nk, 3/8" - 16 x 1", Gr 5

BOLT - carriage, 3/8 NC x 1 inch

12шт.

10

495-11041

WASHER,0.406" ID x 0.812" OD x 0.065" W

(Flat, 13/32 x 13/16 x 1/16") 3/8", SAE

3шт.

11

492-11038

LOCK WASHER,3/8"

12шт.

12

425-106

NUT,3/8"-16, Cl 5

12шт.

13

1276570C1

FRAME

- drive, 21, 25 and 30 foot

1шт.

13

1337496C1

FRAME

- drive, 36 foot

1шт.

14

409-7816

BOLT,Hex Flg, 1/2" - 13 x 1", Spcl

- hex serrated flange, 1/2 NC x 1 inch

7шт.

15

1276571C1

SHAFT

- drive, 21, 25 and 30 foot

1шт.

15

1337497C1

SHAFT

- drive, 36 foot

1шт.

16

1276572C1

PULLEY

- 12-1/2 inch (320 mm) OD, 540 RPM PT, standard

1шт.

16

1276573C1

PULLEY

- 9-1/2 inch (240 mm) OD, 1000 RPM PTO, optional

1шт.

17

1276574C1

PLATE

- pulley assembly, with center hole

1шт.

18

1276575C1

PLATE

- pulley assembly, without center hole

1шт.

19

492-11038

LOCK WASHER,3/8"

3шт.

20

413-644

BOLT,Hex, 3/8" - 16 x 2-3/4", Gr 5

- hex, 3/8 NC x 2-3/4 inch

3шт.

21

1276576C1

SHIELD

- drive, prior to P.I.N. 736 also order 1276577C1 shield, item 24

1шт.

22

231-5148

FLANGE NUT,Flg, USR, 1/2"-13

2шт.

23

409-7816

BOLT,Hex Flg, 1/2" - 13 x 1", Spcl

- hex serrated flange, 1/2 NC x 1 inch

2шт.

24

1276577C1

SHIELD

- drive, prior to P.I.N. 736

1шт.

24

1276577C3

SHIELD

- drive, includes decal, P.I.N. 736 and after

1шт.

25

409-7612

BOLT,3/8"-16 x 1.09" OAL

- hex serrated flange, 3/8 NC x 3/4 inch

2шт.

26

409-7512

BOLT,Hex Flg, 5/16" - 18 x 3/4", Spcl

- hex serrated flange, 5/16 NC x 3/4 inch

6шт.

27

1276578C1

GUIDE

- belt

3шт.

28

434-616

CARRIAGE BOLT,Sht Sq Nk, 3/8" - 16 x 1", Gr 5

BOLT - carriage, 3/8 NC x 1 inch

3шт.

29

495-11041

WASHER,0.406" ID x 0.812" OD x 0.065" W

(Flat, 13/32 x 13/16 x 1/16") 3/8", SAE

2шт.

30

492-11038

LOCK WASHER,3/8"

2шт.

31

425-106

NUT,3/8"-16, Cl 5

2шт.

32

231-5146

FLANGE NUT,3/8"-16

1шт.

33

1276579C1

SUPPORT

MOUNT - idler, mule drive

1шт.

34

231-5148

FLANGE NUT,Flg, USR, 1/2"-13

2шт.

35

409-7816

BOLT,Hex Flg, 1/2" - 13 x 1", Spcl

- hex serrated flange, 1/2 NC x 1 inch

2шт.

36

1276583C1

BRACKET

- swivel, idler, prior to P.I.N. 2880

2шт.

37

232-41110

NUT,5/8"-11, GC

NUT, LOCK, 5/8"-11, GC

2шт.

38

20-21032

PLOW BOLT,#3, 5/8" - 11 x 2", Gr 8

BOLT, PLOW, 5/8"-11 x 2", G8, Full Thd

2шт.

39

1276581C1

PULLEY

- idler

2шт.

40

433-1040

CARRIAGE BOLT,Sq Nk, 5/8" - 11 x 2 1/2", Gr 5

BOLT - carriage, 5/8 NC x 2-1/2 inch, prior to P.I.N. 2880

2шт.

41

413-1028

BOLT,Hex, 5/8" - 11 x 1-3/4", Gr 5

- hex, 5/8 NC x 1-3/4 inch, P.I.N. 2880 and after

2шт.

42

232-41110

NUT,5/8"-11, GC

NUT, LOCK, 5/8"-11, GC

2шт.

43

1276582C1

SHIELD

- idler, prior to P.I.N. 2880

1шт.

44

409-7612

BOLT,3/8"-16 x 1.09" OAL

- hex serrated flange, 3/8 NC x 3/4 inch

2шт.

Выбрано товаров: 0