Запчасти Case IH 736 (9-20) - MAIN DRIVES (CONTD) (09) - CHASSIS

Схема запчастей Case IH 736 - (9-20) - MAIN DRIVES (CONTD) (09) - CHASSIS
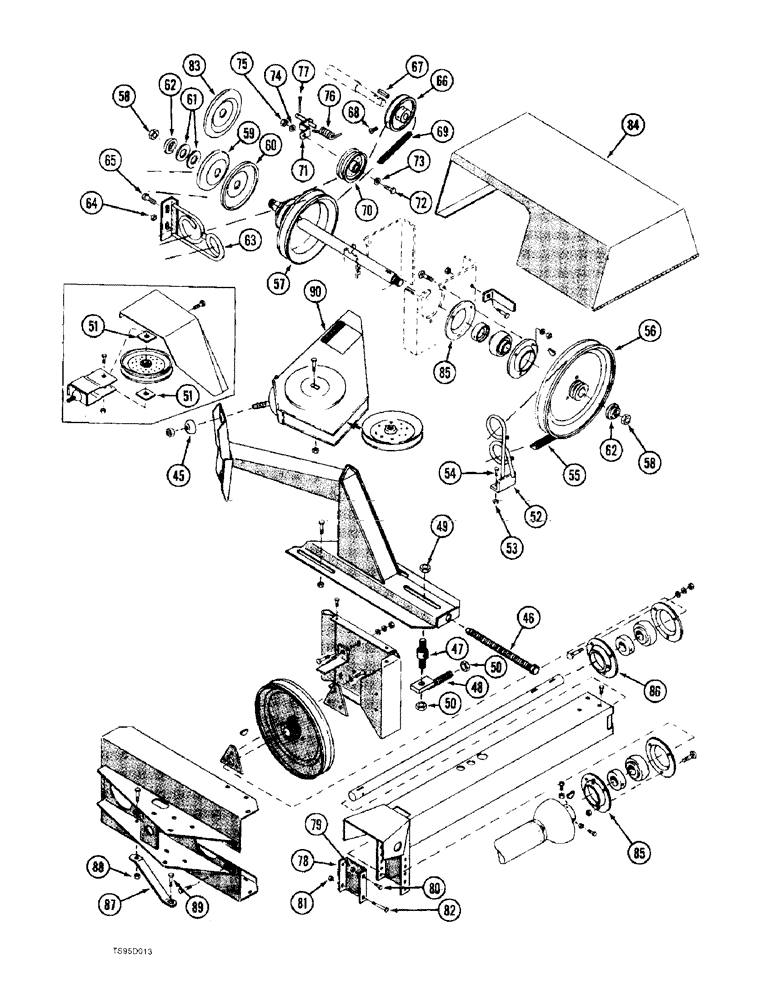
90
56
65
70
47
48
73
62
55
84
87
81
86
85
88
64
58
59
76
46
72
60
80
78
51
68
58
82
74
51
66
50
89
83
53
79
69
61
77
62
49
67
85
52
63
71
50
54
57
45
75
FIT
1:1
100%

Артикул

Название

Примечание

Количество

45

1276587C1

WASHER

- formed

2шт.

46

1276584C1

BOLT

- adjusting

1шт.

47

1276585C1

NUT

STUD - machined

1шт.

48

1276586C1

BOLT

EYE BOLT - adjusting

1шт.

49

231-5148

FLANGE NUT,Flg, USR, 1/2"-13

1шт.

50

9412230

LOCK NUT

- lock, 1/2 inch NC distorted thread

2шт.

51

80711C1

SQ HOLE WASHER

- square, Prior to P.I.N. 2880

4шт.

52

1276588C2

GUIDE

- belt, Prior to P.I.N. 2880

1шт.

53

231-5148

FLANGE NUT,Flg, USR, 1/2"-13

2шт.

54

409-7820

BOLT,Hex Flg, 1/2" - 13 x 1 1/4", Spcl

2шт.

55

1276589C1

V-BELT,4120.00 mm L

Main Drive 4120.00 mm L

1шт.

56

1276573C1

PULLEY

- 9-1/2 inch (240 mm) OD, 540 RPM PTO, standard

1шт.

56

1276572C1

PULLEY

- 12-1/2 inch (320 mm) OD, 1000 RPM PTO, optional

1шт.

57

1276592C1

SHAFT

- pulley assembly

1шт.

58

231-41312

LOCK NUT,3/4"-10, GB

NUT - hex, self-locking, 3/4 inch NC

2шт.

59

1276593C1

PULLEY

- half, 5 inch (127 mm) OD, see note below

1шт.

Ref. 83 and 59 may be interchanged to vary reel speed. Store pulley not in use under cover, Ref. 84.

1шт.

60

1276594C1

PULLEY

- half, 6-3/8 inch (162 mm) OD

1шт.

61

1276595C1

SHIM

- pulley

6шт.

62

1276596C1

WASHER

- flange, special, includes both halves

1шт.

63

1276597C1

GUIDE

- belt

1шт.

64

231-5148

FLANGE NUT,Flg, USR, 1/2"-13

2шт.

65

434-816

CARRIAGE BOLT,Sht Sq Nk, 1/2" - 13 x 1", Gr 5

BOLT - carriage, 1/2 NC x 1 inch

2шт.

66

1276598C1

PULLEY

- driven

1шт.

67

Y24430

KEY,1/4" Sq x 1 1/2", Par

- 1/4 square x 1-1/2 inch

1шт.

68

426374

SET SCREW,Hex Soc, 3/8"-16 x 1/2"

SCREW - set, hex socket head, 3/8 NC x 1/2 inch

2шт.

69

1336591C1

BELT,886.00 mm L

Drive, Counter Shaft 886.00 mm L

1шт.

70

1276600C1

PULLEY

- idler, flat

1шт.

71

1276601C2

BRACKET

- idler

1шт.

72

413-832

BOLT,Hex, 1/2" - 13 x 2", Gr 5

1шт.

73

495-11053

WASHER,1/2", SAE

(17/32" x 1-1/16" x 5/64") 1/2", SAE

1шт.

74

80679

LOCK WASHER,1/20.507 CST ZND

WASHER, LOCK, 1/2"

1шт.

75

425-108

NUT,1/2" - 13, Gr 5

NUT, , Hex 1/2"-13, G5

1шт.

76

1276602C1

SPRING

- torsion

1шт.

77

432-1224

COTTER PIN,3/16" x 1-1/2"

3/16" x 1 1/2"

1шт.

78

1276603C1

BRACKET

- support, drive frame

1шт.

79

231-5148

FLANGE NUT,Flg, USR, 1/2"-13

1шт.

80

409-7816

BOLT,Hex Flg, 1/2" - 13 x 1", Spcl

- hex serrated flange, 1/2 NC x 1 inch

1шт.

81

9412230

LOCK NUT

- lock, 1/2 inch NC distorted thread

1шт.

82

413-896

BOLT,Hex, 1/2" - 13 x 6", Gr 5

- hex, 1/2 NC x 6 inch

1шт.

83

1276604C1

PULLEY

- half, 6-3/8 inch (162 mm) OD, see note below

1шт.

Ref. 83 and 59 may be interchanged to vary reel speed. Store pulley not in use under cover, Ref. 84.

1шт.

84

1276605C2

SHIELD

COVER - drive, includes decals

1шт.

113-1

BOLT,Hex, 1/4" - 20 x 1/2", Gr 5

4шт.

231-5144

SERRATED NUT,Flg, USR, 1/4"-20

4шт.

85

670375R11

FLANGE

- bearing, with straight lube fitting

3шт.

86

80752C1

FLANGE

- bearing, with 45 degree grease fitting

1шт.

87

1281498C1

BRACE

- shield

1шт.

88

231-5148

FLANGE NUT,Flg, USR, 1/2"-13

1шт.

89

409-7816

BOLT,Hex Flg, 1/2" - 13 x 1", Spcl

- hex serrated flange, 1/2 NC x 1 inch

2шт.

90

1969298C1

BRACKET

- idler swivel, includes decal, P.I.N. 2880 and after

2шт.

Выбрано товаров: 51