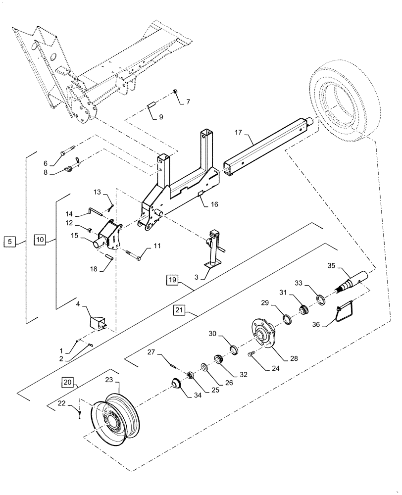
Запчасти Case IH DH213 (44.530.AA[01]) - AXLE, 2-WHEEL TRANSPORT ASSY (44) - WHEELS

Схема запчастей Case IH DH213 - (44.530.AA[01]) - AXLE, 2-WHEEL TRANSPORT ASSY (44) - WHEELS
26
1
6
14
21
25
7
3
20
36
34
17
33
28
5
4
10
23
30
15
19
2
13
12
35
31
8
11
9
18
16
27
22
29
32
24
FIT
1:1
100%

Артикул

Название

Примечание

Количество

1

84338675

COTTER PIN

1шт.

2

87034825

CLEVIS PIN,5/8" x 4"

1шт.

3

84546611

JACK

1шт.

4

73356320

WEDGE

Cap

1шт.

5

NSS

NOT SOLD SEPARAT

Axle, 2-Wheel Fold Up Assy, Incl 6 - 10

1шт.

6

88421

BOLT,Hex, 3/4" - 10 x 5", Gr 5

2шт.

7

86754

NUT,3/4"-10, GB

2шт.

8

86563633

PIN

Hitch

1шт.

9

73356323

SPACER

2шт.

10

NSS

NOT SOLD SEPARAT

Axle, Fold Up 2-Wheel, Incl 11 - 18

1шт.

11

86507002

BOLT,Hex, 3/4"- 10 x 5 1/2", Gr 5

1шт.

12

86754

NUT,3/4"-10, GB

1шт.

13

84338675

COTTER PIN

2шт.

14

86565138

LOCK PIN

Reel Mount

2шт.

15

73356321

PIVOT

Axle

1шт.

16

73356319

AXLE

2-Wheel

1шт.

17

73356322

AXLE

Extension

1шт.

18

73356324

SPACER

Plated

1шт.

19

86605211

HUB

Incl 20 - 35

2шт.

20

86561043

WHEEL

Incl 22 - 23

2шт.

21

86561042

HUB

Incl 24 - 35

2шт.

22

196033

VALVE STEM

1шт.

23

86565504

RIM

1шт.

24

167034

BOLT

6шт.

25

86528703

SLOTTED NUT,1"-12

1шт.

26

87367

WASHER,1.06" ID x 2" OD x 0.13" Thk

1шт.

27

80754

COTTER PIN,3/16" OD x 1-1/2" OAL

1шт.

28

86565501

HUB

1шт.

29

1995

BEARING CUP,65.11mm OD x 13.97mm W

1шт.

30

36723

BEARING CUP,59.16mm OD x 11.81mm W

1шт.

31

1996

BEARING CONE,1.5005" ID x 0.72"

1шт.

32

36726

BEARING CONE,31.75mm ID x 16.76mm W

1шт.

33

86565495

SEAL

Grease

1шт.

34

86565507

CAP

Dust

1шт.

35

86565492

SPINDLE

1шт.

36

86564359

PIN

1шт.

37

73356552

KIT

Tires/Wheels/Hubs/Spindles, CIH

1шт.

37

73356551

KIT

Tires/Wheels/Hubs/Spindles, NH

1шт.

Выбрано товаров: 38