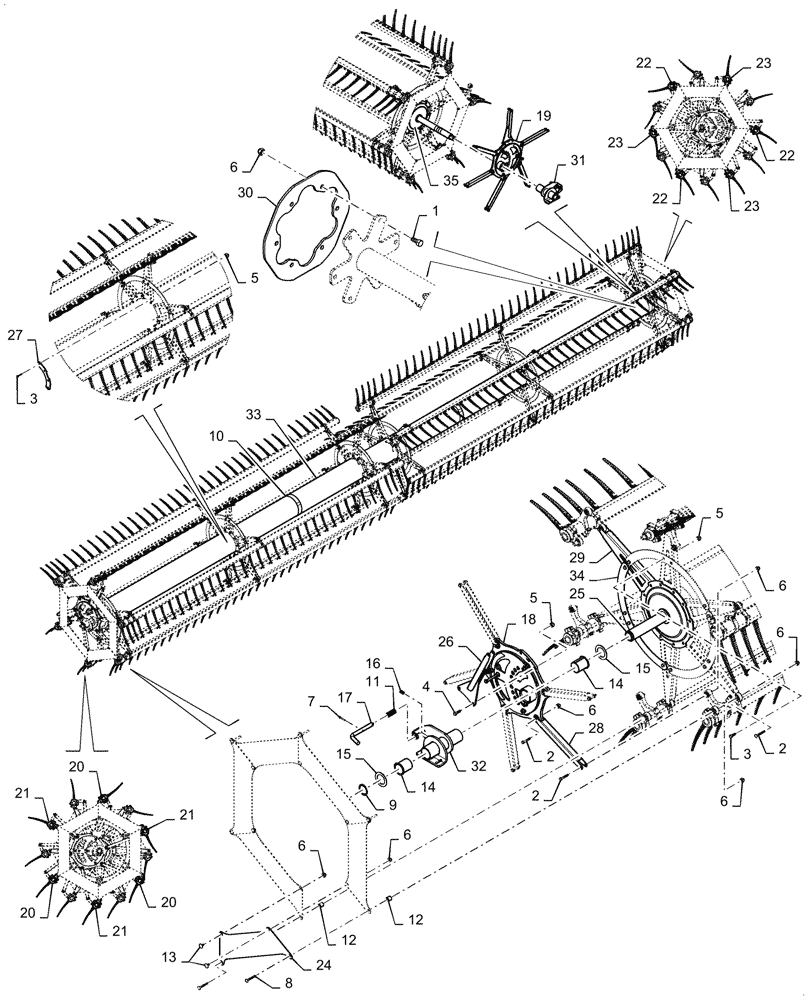
Запчасти Case IH DH363 (58.101.AM[03]) - SOLID REEL ASSY, 6-BAT SINGLE DRIVE, ASN YHZB14001 (58) - ATTACHMENTS/HEADERS

Схема запчастей Case IH DH363 - (58.101.AM[03]) - SOLID REEL ASSY, 6-BAT SINGLE DRIVE, ASN YHZB14001 (58) - ATTACHMENTS/HEADERS
8
18
7
33
24
20
30
11
6
28
22
6
3
21
2
2
12
15
16
20
13
31
10
9
22
34
21
27
5
21
6
23
2
14
6
4
29
5
14
6
3
26
15
19
5
12
35
32
17
25
6
6
1
23
6
20
22
23
FIT
1:1
100%

Артикул

Название

Примечание

Количество

1

87872

BOLT,Hex, 5/16" - 18 x 3/4", Gr 5

12шт.

2

9707515

BOLT,Hex, 5/16 - 18" x 1 3/4", Gr 5

58шт.

3

88206

BOLT,Hex, 3/8" - 16 x 1", Gr 5

144шт.

4

88011

BOLT,Hex, 3/8" - 16 x 1 1/4", Gr 5

4шт.

5

88902

NUT,3/8"-16

148шт.

6

280736

NUT,5/16"-18, GC

94шт.

7

87398

COTTER PIN,3/16" OD x 1-1/4" OAL

2шт.

8

280631

CARRIAGE BOLT,Sq Nk, 5/16" - 18 x 2 1/4", Gr 5

12шт.

9

100-11200

SNAP RING,#200, Ext

2шт.

10

86547782

REFLECTOR,YELLOW

16шт.

11

48117826

Compression

SPRING

2шт.

12

48117827

Spacer

TUBE

12шт.

13

86508770

CARRIAGE BOLT,Sq Nk, 5/16" - 18 x 1/2", Gr 5, Full Thd

12шт.

14

48117798

Control

BUSHING

4шт.

15

48117802

Shaft

WASHER

4шт.

16

48117838

Hex Socket

PLUG

2шт.

17

48117803

Lock

PIN

2шт.

18

48117762

LH

CONTROL

1шт.

19

48117799

RH

CONTROL

1шт.

20

NSS

NOT SOLD SEPARAT

LH Reel Assy, Standard

3шт.

21

NSS

NOT SOLD SEPARAT

LH Reel Assy, Offset

3шт.

22

NSS

NOT SOLD SEPARAT

RH Reel Assy, Standard

3шт.

23

NSS

NOT SOLD SEPARAT

RH Reel Assy, Offset

3шт.

24

48117791

End

SHIELD

12шт.

25

48117792

Idler

SHAFT

1шт.

26

48117793

Arm

CONTROL

2шт.

27

48117794

Anchor

PLATE

12шт.

28

48117795

Arm

CONTROL

10шт.

29

48117796

Spoke

SUPPORT

36шт.

30

48131475

Mounting Adapter, 10" Reel Tube

PLATE

2шт.

31

48117787

RH Timing

MOUNT

1шт.

32

48117788

LH Timing

MOUNT

1шт.

33

48130747

Reel

TUBE

1шт.

34

48117789

Spoke

SUPPORT

18шт.

35

48117790

Drive

SHAFT

1шт.

Выбрано товаров: 35