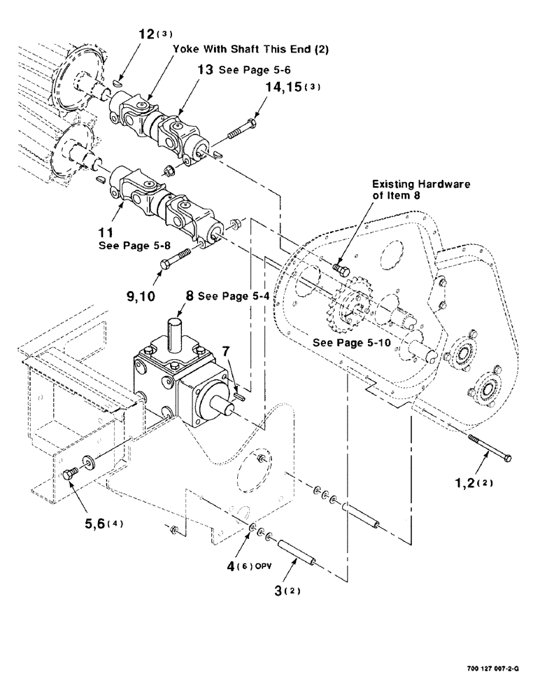
Запчасти Case IH 8312 (5-02) - MOWER CONDITIONER DRIVE ASSEMBLY (58) - ATTACHMENTS/HEADERS

Схема запчастей Case IH 8312 - (5-02) - MOWER CONDITIONER DRIVE ASSEMBLY (58) - ATTACHMENTS/HEADERS
5
7
1
14
8
15
11
9
12
10
6
3
4
13
2
FIT
1:1
100%

Артикул

Название

Примечание

Количество

1

113-108

BOLT,Hex, 5/16" - 18 x 3", Gr 5, Full Thd

2шт.

2

231-5145

SERRATED NUT,Flg, USR, 5/16"-18

NUT, Flg, USR, 5/16"-18

2шт.

3

6391114

TUBE,0.625" OD, 4.25" Length

SPACER

2шт.

4

496-21034

WASHER,11/32" x 11/16" x 0.89", HDN

6шт.

5

413-816

BOLT,Hex, 1/2" - 13 x 1", Gr 5

4шт.

6

495-21056

WASHER,1/2"

1/2 HARDENED PLAIN WASHER

4шт.

7

61713

KEY

1/4 X 1/4 X 1-3/8 KEY

1шт.

8

700711856

GEARBOX ASSY

GEARBOX

1шт.

8

700711856R

REMAN-TRANSMISSION

Remanufactured GEARBOX, N.A. Only

1шт.

8

700711856C

CORE-TRANSMISSION

Return Number, Gearbox, N.A. Only

1шт.

9

326-1048

BOLT,Hex, 5/8" - 11 x 3", Gr 8

1шт.

10

232-53110

FLANGE NUT,Flg, 5/8"-11

5/8-11 HFTLN

1шт.

11

700711842

FLEXIBLE JOINT

U-JOINT ASSEMBLY

1шт.

12

126-36

WOODRUFF KEY,#23, 5/16" x 1 3/8"

3шт.

13

700708650

FLEXIBLE JOINT

U-JOINT ASSEMBLY

1шт.

14

703736

BOLT,Hex, 1/2" - 13 x 2 3/4", Gr 5

1/2-13 X 2-3/4 C

3шт.

15

231-5148

FLANGE NUT,Flg, USR, 1/2"-13

3шт.

Выбрано товаров: 17