Запчасти Case IH DC102 (01.11) - PTO, 1000RPM 8D, PRIMARY ASSY, WEASLER (01) - PTO DRIVE SHAFT

Схема запчастей Case IH DC102 - (01.11) - PTO, 1000RPM 8D, PRIMARY ASSY, WEASLER (01) - PTO DRIVE SHAFT
2
3
10
7
11
8
4
15
19
16
6
home
9
18
5
14
12
20
18
13
4
1
17
FIT
1:1
100%

Артикул

Название

Примечание

Количество

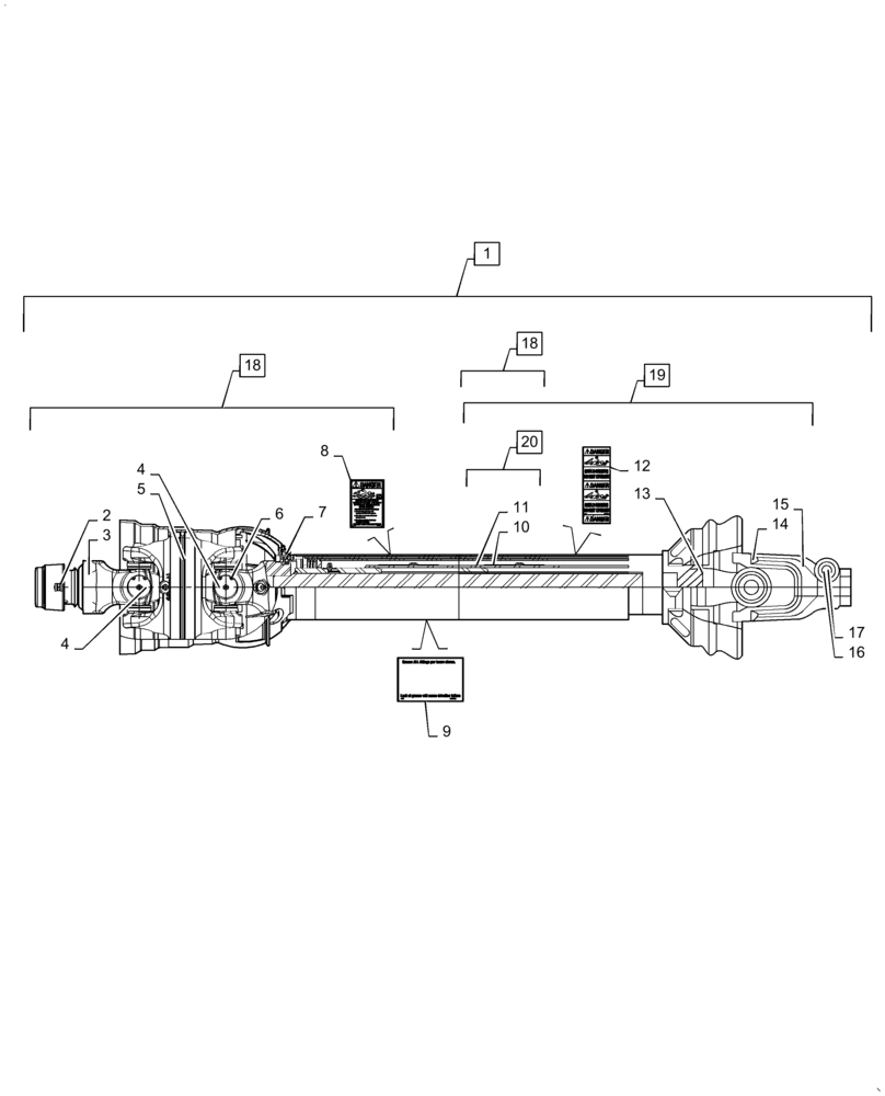
1

715291026

KIT

1000RPM PTO, 8-Disc Primary, Incl 2 - 20

1шт.

2

86534533

REPAIR KIT

Auto-Lock

1шт.

3

84553988

YOKE

CAT 4

1шт.

4

84367788

U-JOINT SPIDER

CAT 4

2шт.

5

84367791

JOINT

CAT 4

1шт.

6

84554003

YOKE

Shaft

1шт.

7

87039056

REPAIR KIT

2шт.

8

849471

DANGER DECAL

1шт.

9

86520249

DECAL

Lubrication

1шт.

10

87039054

GUARD

Outer

1шт.

11

87039055

GUARD

Inner

1шт.

12

849472

DANGER DECAL

1шт.

13

86520903

YOKE

1шт.

14

86520904

BEARING ASSY

1шт.

15

86520905

YOKE

1шт.

16

87025806

LOCK NUT

1шт.

17

84246779

BOLT

1шт.

18

84554147

PTO

Front Half, Primary, Incl 2 - 8, 20

1шт.

19

87039059

REAR PTO ASSY

Half, Primary, Incl 12 - 15, 20

1шт.

20

87039057

GUARD

Set, Incl 10 - 11

1шт.

Выбрано товаров: 20