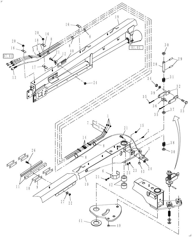
Запчасти Case IH DC132 (12.07) - SWIVEL HITCH TONGUE (12) - MAIN FRAME

Схема запчастей Case IH DC132 - (12.07) - SWIVEL HITCH TONGUE (12) - MAIN FRAME
40
9
36
16
31
22
41
8
8
27
16
8
12
30
5
14
18
35
39
16
8
30
10
43
20
25
07.01
01.03
19
38
29
26
3
49
4
21
20
35
17
23
11
8
32
1
21
42
28
34
21
13
9
8
6
37
19
24
33
2
7
24
15
FIT
1:1
100%

Артикул

Название

Примечание

Количество

1

86511868

PLUG,3/4" - 16 JIC

3шт.

2

87522

DRIVE SCREW,Rd Hd, #4 x 1/4", U Type

2шт.

3

86561136

MODULE

Lighting Control

1шт.

4

129428

TUBE NUT,37 Degree, 3/4"-16, Type B

12шт.

5

235671

SLEEVE,37 Degree, 1/2" Tube

12шт.

6

86567415

COVER

Black

1шт.

7

86549017

HYD TUBE,12.70 mm OD

Includes: (2) Ref. 8 & 9

3шт.

8

14560287

CABLE TIE,207.00mm L

COLLAR

11шт.

9

58639

SHIM

4шт.

10

64612

SHIM,0.012" Thk

4шт.

11

87676553

CHANNEL

Plastic

2шт.

12

9611467

HOLDER

Plug Holder

1шт.

13

86560194

WIRE HARNESS

Lights

1шт.

14

128822

UNION,3/4" - 16 JIC x 3/4" - 16 JIC

3шт.

15

87414

LUBE NIPPLE,1/4" - 28

1шт.

16

86571694

CLAMP

9шт.

17

765394

PAD,19.8mm ID x 31.8mm W x 101.6mm L

8шт.

18

86538795

HYD TUBE,12.70 mm OD x 2805 mm L

3шт.

19

87055792

TONGUE

Swivel, Includes safety decals

1шт.

20

86521609

FLANGE NUT,Flg, 3/8"-16

9шт.

21

86521550

BOLT,Hex, 1/4" - 20 x 3/4", Gr 5

8шт.

22

280736

NUT,5/16"-18, GC

8шт.

23

7770

NUT,Hex, 1/4 - 20, Cl 5

4шт.

24

9626558

FLANGE NUT,Flg, 1/4"-20

4шт.

25

322357

BELLEVILLE WASHER,M6 Bolt Size x 14mm OD x 1.3mm Thk

4шт.

26

87032817

BOLT

Cap, HSH, 5/16" x 1"

8шт.

27

80664

WASHER,0.38" ID x 0.88" OD x 0.08" Thk

8шт.

28

86627559

PIN

W/ 1/4" Holes; L = 9.4"

1шт.

29

87343

LOCK PIN,6.35mm OD x 44.45mm L, Slotted

2шт.

30

142656

WASHER,33.35mm ID x 47.63mm OD x 3.43mm Thk

1-1/4"

2шт.

31

35324

SPRING

1шт.

32

690605

HANDLE

2шт.

33

86521551

BOLT,Hex, 5/16" - 18 x 1/2", Gr 5

1шт.

34

86521605

FLANGE NUT,5/16"-18, Cl 5

1шт.

35

87394

COTTER PIN,1/8" x 1/2"

2шт.

36

86618985

ROD

1шт.

37

696508

WASHER,33.3mm ID x 88.9mm OD x 3.43mm Thk

1шт.

38

48176

SPRING

1шт.

39

322358

BELLEVILLE WASHER,M8 Bolt Size x 18mm OD x 1.4mm Thk

1шт.

40

86564683

SUPPORT

Hoses (Requires Welding)

1шт.

41

86568174

WASHER

1шт.

42

86515632

DRIVE BUSHING,102.13mm ID x 114.25mm OD x 76.2mm L

4" (102mm) ID

2шт.

43

787219

SLEEVE

Cylinder Mount

1шт.

Выбрано товаров: 43