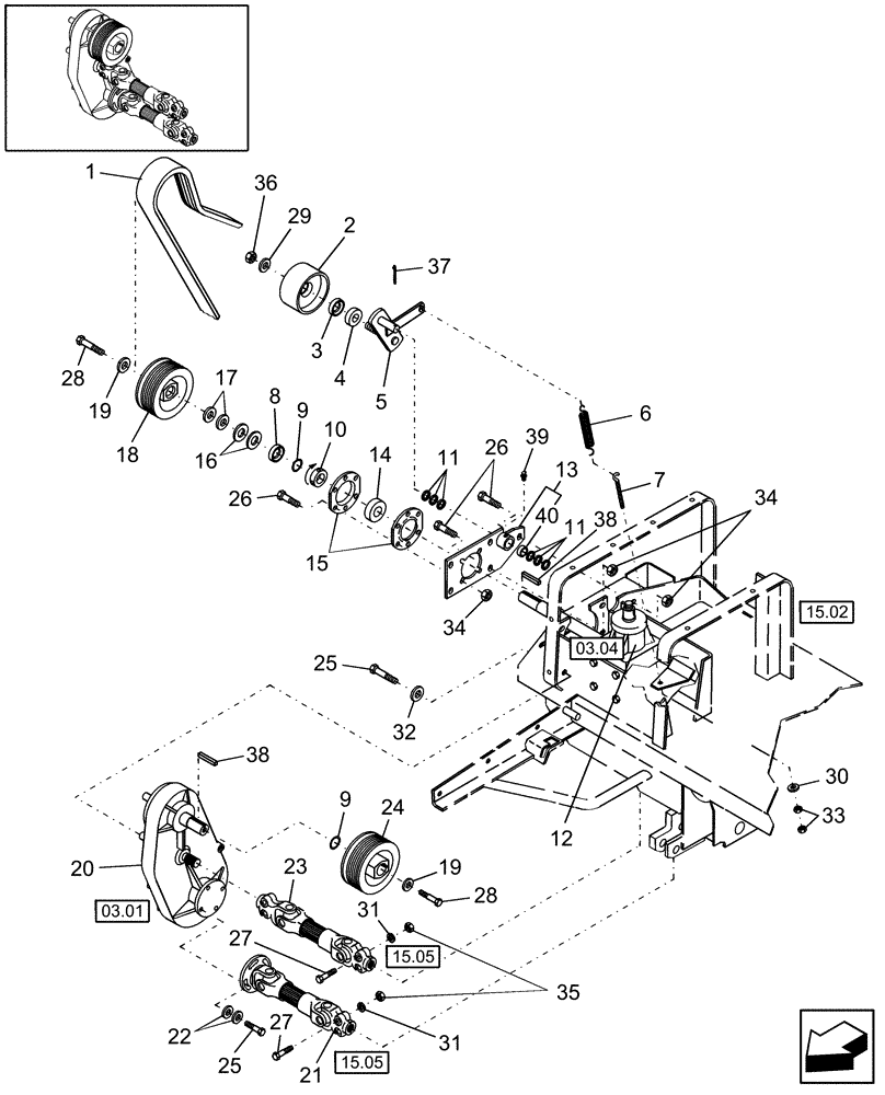
Запчасти Case IH DC132 (15.03) - CONDITIONER DRIVE COMPONENTS (15) - CROP CONDITIONING

Схема запчастей Case IH DC132 - (15.03) - CONDITIONER DRIVE COMPONENTS (15) - CROP CONDITIONING
26
11
19
8
23
9
20
38
34
28
17
31
15
18
25
11
5
26
25
1
10
38
39
12
40
32
15.05
03.04
15.02
03.01
15.05
6
14
16
36
2
9
31
22
29
33
13
35
27
19
37
34
30
24
4
3
27
28
7
21
FIT
1:1
100%

Артикул

Название

Примечание

Количество

1

86627797

V-BELT,0.66" W x 54.20" L, 4 Ribs

For 740 RPM Roll Speed, Standard

1шт.

2

86632727

IDLER

1шт.

3

217994

SPACER

3/4" ID x 1"x 1-1/4" Lg

1шт.

4

87029275

BEARING,19mm ID x 45.2mm OD x 15.5mm W

2шт.

5

86632284

ARM

1шт.

6

86572215

SPRING,Extension, 25.58mm OD x 240.18mm L

1шт.

7

36835

EYEBOLT,G2, 3/8"-16 x 6-1/2"

G2, 3/8"-16 x 6-1/2"

1шт.

8

86510186

SPACER

1шт.

9

626286

SNAP RING

Ext, 1.50"

2шт.

10

52444

COLLAR,38.2mm ID x 60.33mm OD x 18.3mm Thk

& Set Screw

1шт.

11

26402

WASHER,25.8mm ID x 38.1mm OD x 1.7mm Thk

6шт.

12

86518543

GEARBOX

Bevel

1шт.

12

86518543R

REMAN-GEARBOX

Reman Gearbox

1шт.

12

86518543C

CORE-GEARBOX

Return Number

1шт.

13

86632943

PLATE

1шт.

14

52443

BALL BEARING,38.1mm ID x 79.99mm OD x 22mm W

1шт.

15

86629969

FLANGE

2шт.

16

28691

WASHER,39mm ID x 60mm OD x 0.89mm Thk

4/ARшт.

17

28581

WASHER,38.9mm ID x 60.3mm OD x 3.5mm Thk

2/ARшт.

18

86632264

PULLEY

7" OD

1шт.

19

574245

WASHER,16.76mm ID x 50.8mm OD x 6.35mm Thk

Hardened, Special, M16

2шт.

20

87567902

GEARBOX

1шт.

20

87567902R

REMAN-GEARBOX

Reman Gearbox

1шт.

20

87567902C

CORE-GEARBOX

Return Number

1шт.

21

87564986

PTO

Drive Shaft, Flanged

1шт.

22

65319

WASHER,13.1mm ID x 25.4mm OD x 3.68mm Thk

8шт.

23

87564987

PTO

Drive Shaft

1шт.

24

86632265

SHEAVE

6" OD, For 740 RPM Roll Speed (Standard)

1шт.

25

87909

BOLT,Hex, 1/2" - 13 x 1", Gr 5

9шт.

26

86521614

BOLT,Hex, 1/2" - 13 x 1 1/4", Gr 5

9шт.

27

88009

BOLT,Hex, 1/2" - 20 x 2 1/4", Gr 5

6шт.

28

9627896

BOLT,Hex, 5/8" - 11 x 1 3/4", Gr 5

2шт.

29

86512328

WASHER,19.46mm ID x 35.05mm OD x 3.43mm Thk

1шт.

30

80702

WASHER,0.44" ID x 1" OD x 0.08" Thk

1шт.

31

80679

LOCK WASHER,1/20.507 CST ZND

6шт.

32

86513238

LOCK WASHER,.515” ID x 1.070” OD x .120” TK

Belleville, 1/2"

5шт.

33

9628503

NUT,3/8"-16, G5

2шт.

34

86521607

FLANGE NUT,Flg, 1/2"-13, G5

9шт.

35

280963

NUT,Nut, 1/2-20 GR 5 ZND

6шт.

36

280375

NUT,3/4"-10, GC

1шт.

37

87398

COTTER PIN,3/16" OD x 1-1/4" OAL

1шт.

38

87485

KEY,50.8mm OAL x 7.96mmThk

5/16" Sq x 2"

2шт.

39

87569

LUBE NIPPLE,45 Degree, 1/4" NPT x 4/5" L, Drive

1шт.

40

27767

BUSHING

2шт.

Выбрано товаров: 44