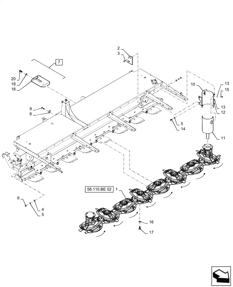
Запчасти Case IH DC133 (58.110.BE[01]) - CUTTERBAR, 8-DISC (58) - ATTACHMENTS/HEADERS

Схема запчастей Case IH DC133 - (58.110.BE[01]) - CUTTERBAR, 8-DISC (58) - ATTACHMENTS/HEADERS
58.110.be 02
11
8
13
9
13
2
17
12
18
10
7
1
14
3
6
5
19
20
16
4
5
15
FIT
1:1
100%

Артикул

Название

Примечание

Количество

1

47586913

CUTTERBAR

8-Disc

2шт.

2

47583652

STRIPPER

2шт.

3

280833

CARRIAGE BOLT,Short NK, 1/2"-13 x 1 1/2", G8

4шт.

4

86541779

WASHER,0.53" ID x 1.31" OD x 0.24" Thk

4шт.

5

86513238

LOCK WASHER,.515” ID x 1.070” OD x .120” TK

6шт.

6

9803187

NUT,1/2"-13, G8

4шт.

7

NSS

NOT SOLD SEPARAT

Skidshoe Assy w/Hardware, Incl 18 - 20

8шт.

8

84488494

PLATE

16шт.

9

88576

BOLT,Hex, 1/2" - 13 x 5 1/2", Gr 5

16шт.

10

84571990

GUARD

1шт.

11

84571985

SHIELD

1шт.

12

86521553

BOLT,Hex, 5/16" - 18 x 1", Gr 5

1шт.

13

322358

BELLEVILLE WASHER,M8 Bolt Size x 18mm OD x 1.4mm Thk

5шт.

14

86533474

FLANGE BOLT,Hex, 1/2" - 13 x 1", Gr 5

2шт.

15

86521552

BOLT,Hex, 5/16" - 18 x 3/4", Gr 5

4шт.

16

695335

WASHER,12.95mm ID x 37.59mm OD x 4.75mm Thk

8шт.

17

9707516

BOLT,1/2"-13 x 1-3/4", Cl 5

8шт.

18

84591187

SKID/SHOE

1шт.

19

58102

WASHER

2шт.

20

87670

BOLT,1/2" - 13 x 1-1/4", Full Thd, Gr 5

2шт.

Выбрано товаров: 20